volver a
>
Roth / TORO
>
Hand operated
>
Lawnmower
>
4-stroke
>
486/20904 BC
>
5900001
>
Housing Assy. (Cont.)
Lista de repuestos para Toro Roth / TORO Housing Assy. (Cont.)
pos.
descripción
Número de pieza
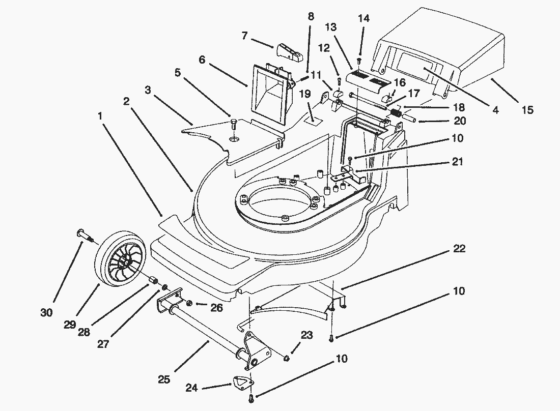
28
Bushing-Wheel
27-6250
29
Wheel & Tire Assembly (Incl. Ref.
46-1113
30
RADBOLZEN
27-6230
Toro
Roth / TORO
Ride-On Mowers
Hand operated
Sweeper
Snowthrower
Vac/Blower
Lawnmower
Grass Baggers
4-stroke SP
4-stroke
486/20904 BC
5900001
Engine B&S Model 12A802-0611-01
Bag Assy.
Handle Assy. (Model No. 20904BC only)
H.P. Rear Axle Assy. (Model No. 20904BC only)
Blade Assy.
Engine Assy.
Housing Assy. (Cont.)
Housing Assy.
486/20903 B
486/20902 B
486/20901 B
486/20900
478
476
455/20803
455/20803 B
455/20802 BC
455/20801 B
452
438
433
423
414/20814
414/20805
412
411
408
400
2-stroke SP
2-stroke
Electric
Battery
Robin
Condiciones
(C) by motoruf