volver a
>
Roth / TORO
>
Hand operated
>
Lawnmower
>
2-stroke
>
286/20910
>
0000001
>
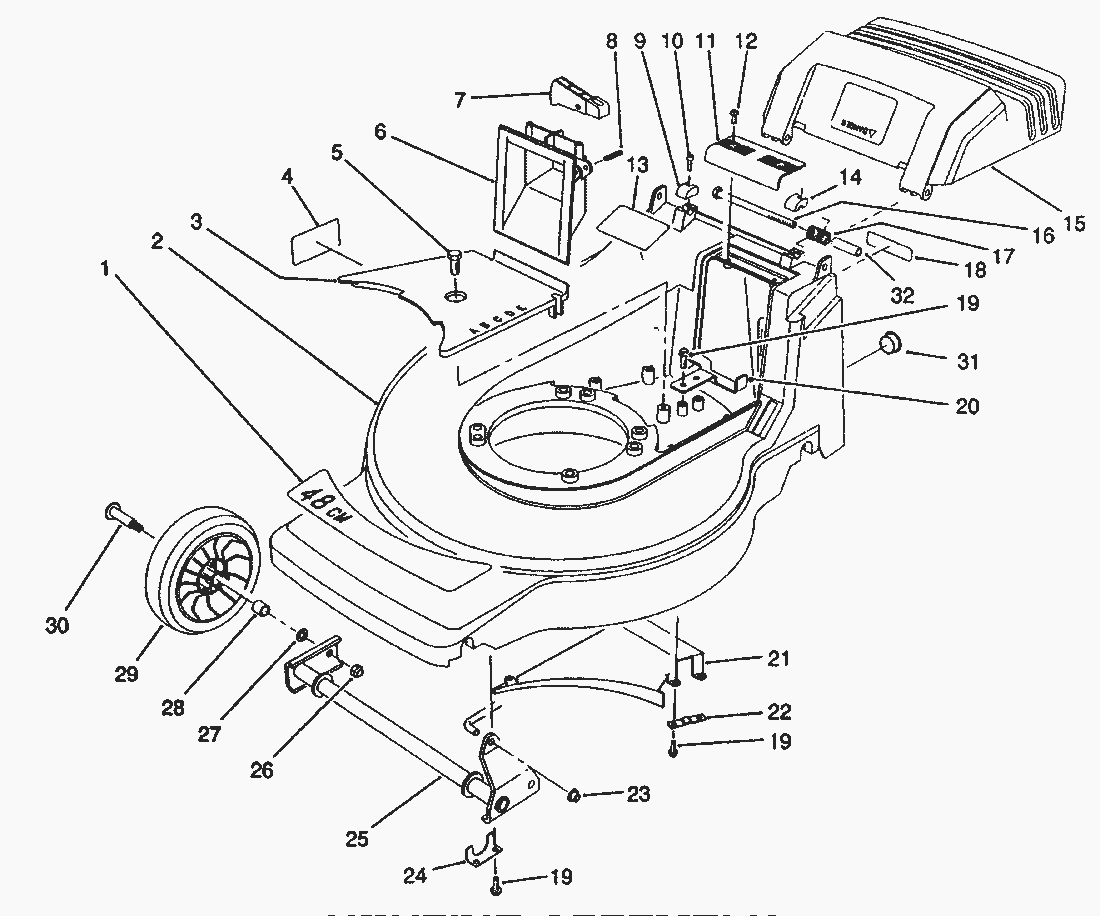
Housing Assy.
Lista de repuestos para Toro Roth / TORO Housing Assy.
pos.
descripción
Número de pieza
1
Decal-48cm
71-8290
2
Housing-48cm
14-0049
3
Cover-Belt
71-7920
4
Decal-Danger
62-3860
5
Self Tapping Screw
32144-70
6
GRIFFSCHALE
71-7870
7
GRIFF
71-7930
8
SPANNSTIFT
3284-5
9
Cap-Hinge Bolt R.H.
71-7910
10
Screw-Thread Forming
65-5210
11
GRIFFDECKEL
71-7860
12
SCHRAUBE
32144-97
13
Decal-Noise Rating
66-1700
14
Cap-Hinge Bolt L.H.
71-7900
15
Door-Discharge (Model No. 20915)
71-8240
Door-Discharge (Model No. 20910)
71-8241
16
Screw-Cap Hex. Hd.
322-29
17
Spring-Door
71-8300
18
Decal-French Regulation
66-0680
19
Screw-Self Tapping
49-2040
20
Guide-Belt Rear (Model No. 20915 Only)
71-7890
21
Ramp-Discharge
71-7990
22
Strap-Rear Suspension (Model No. 20915 Only)
71-8220
23
SICHERUNGSKAPPE
32112-11
24
Plate-Suspension Front
71-7760
25
Pivot-Front
71-7820
26
MUTTER
52-3620
27
SCHEIBE
40-1940
28
Bushing-Wheel
27-6250
29
Wheel & Tire Assembly (Incl. Ref.
46-1113
30
RADBOLZEN
27-6230
Toro
Roth / TORO
Ride-On Mowers
Hand operated
Sweeper
Snowthrower
Vac/Blower
Lawnmower
Grass Baggers
4-stroke SP
4-stroke
2-stroke SP
2-stroke
286/20911 B
286/20910
0000001
Muffler Assy. (Engine No. 47PK9)
Recoil Assy. (Engine Model No. 47PK9)
Carburetor Assy. (Engine No. 47PK9)
Governor Assy. (Engine No. 47PK9)
Flywheel & Ignition Assy. (Engine Model No. 47PK9)
Crankshaft Assy. (Engine No. 47PK9)
Bag Assy.
H.P. Handle Assy. (Model No. 20910 only)
H.P. Rear Axle Assy. (Model No. 20910 only)
Engine Assy.
Housing Assy. (Cont.)
Housing Assy.
276
233
223
Electric
Battery
Robin
Condiciones
(C) by motoruf