volver a
>
Roth / TORO
>
Ride-On Mowers
>
Rider
>
12-32
>
375/70171
>
210000001
>
Front Axle Assy.
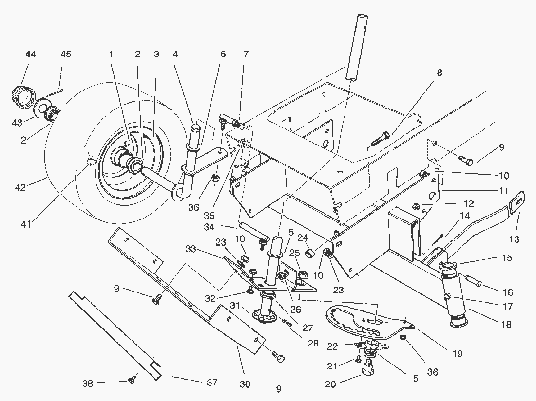
Lista de repuestos para Toro Roth / TORO Front Axle Assy.
pos.
descripción
Número de pieza
1
Grease Fitting
302-5
2
Bearing-Wheel
110513
3
Rim
217-80
4
Spindle-R.H.
47-0600-01
Spindle-L.H.
47-0590-01
5
Washer-Thrust
3-6498
7
Jam Nut
3220-2
8
Capscrew-Hex. Hd.
325-6
9
Hex Hd. Capscrew
322-5
10
MUTTER
3296-29
11
Support-Axle, Front
47-0760-01
12
Locknut
3296-8
13
Arm-Suspension, Front
47-0010-01
14
Cotter Pin
3272-6
15
Bearing-Flange
27-9080
16
Pin-Clevis
283-2
17
Grease Fitting
302-5
18
Axle-Front (Incl. Ref.
80-2430
19
Rack-Steering
80-2450-03
20
Bolt-Shoulder
56-7530
21
Screw Thread Forming
32144-4
22
Bushing-Sector
56-7520
23
Washer
3256-23
24
Spacer-Front Axle
28-0380
25
Locknut
32128-21
26
Locknut-Hex. Flange
32128-23
27
Bearing-Flange
47-0700
28
Roll Pin
32121-9
30
Cover-Front
56-7180-01
31
Shaft-Steering
56-7500
32
Carriage Bolt
3230-18
33
Bracket-Rack, Steering (Incl. Ref.
56-7470
34
Tie Rod-Adjustable (Incl. Ref.
47-0610
Tie Rod-Fixed
80-2460
35
E-Ring-External
32151-48
36
Locknut
3296-4
37
Guard-Front
92-0876-01
38
Screw-Wash. Hd., Tap.
32144-14
41
Valve Stem
232-27
42
Tire
99-2990
43
Washer
28-2480
44
Cap-Hub
61-9780
45
Pin-Cotter
3272-12
Tube-Inner
232-44
Toro
Roth / TORO
Ride-On Mowers
Traktor
Rider
HMR 1600
12-32 E
12-32
375/70171
210000001
Engine B&S Model 28M707-1182-E1
Peerlesss Transaxle Model No. 915-019
Deflector Assy. - Recycler
Mower Assy. - Recycler (Cont.)
Mower Assy. - Recycler
Stand Bar Assy.
Rear Axle Assy.
Engine Assy.
Transmission Linkage Assy.
Seat Assy.
Seat Body & Side Panel Assy.
Linkage Assy.
Steering Wheel, SwitchES & Decals
Brake & Clutch Assy.
Front Axle Assy.
Front Tower Assy.
200000001
9900001
375/70084
11-32
10-32 E
8-25
110-4E
110-4
Mower decks
Attachements
Hand operated
Robin
Condiciones
(C) by motoruf