volver a
>
Roth / TORO
>
Hand operated
>
Lawnmower
>
4-stroke SP
>
477
>
280000
>
Engine B&S
Lista de repuestos para Toro Roth / TORO Engine B&S
pos.
descripción
Número de pieza
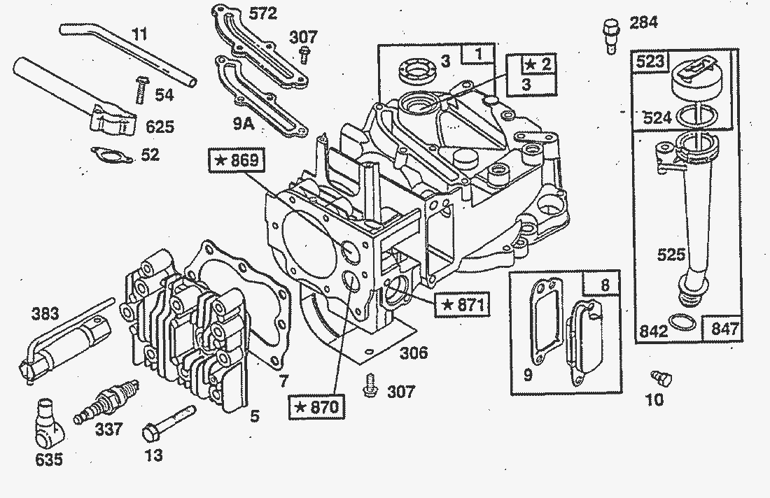
1
Cylinder Assembly
493260
2
Bushing-Cylinder Note: Requires special tools for installation.
293708
3
Seal-Oil
299819
5
Head-Cylinder
214349
7
Gasket-Cylinder Head
272916
8
Breather-Valve Chamber
495786
9
Gasket-Breather
272481
9A
Gasket-Baffle Plate
272238
10
Screw-Hex. Head
94650
11
Tube-Breather
231685
13
Screw-Cylinder Hd.
94547
52
Gasket-Intake Elbow
272199
54
Screw-Intake Elbow Mtg.
94526
284
Screw-Hex Head
94511
306
Shield-Cylinder
224324
307
Screw-Hex Head
94515
337
Plug-Spark (Resistor Type-1-7/8 high, 47 M.M.)(Model No. 38566 only)
802592
383
Wrench-Spark Plug
89838
523
Cap With Dipstick-Oil Filler
495264
524
Seal-Filler Tube
280393
525
Tube-Oil Filler
495265
572
Baffle-Cylinder
224328
625
Tube-Fuel Intake
492717
635
Elbow-Spark Plug
66538
842
Seal-O-Ring
280966
847
Oil Fill Tube and Dipstick Assy.
495263
869
Seat-Intake Valve (Standard)
213512
870
Seat-Exhaust Valve (Standard)
213513
871
Guide-Exhaust Valve Note: 63709 Guide-Intake Valve See Repair Instruction Manual
262001
871
Guide-Exhaust Valve
63709
16
*** keine Bezeichnung vorhanden
493362
24
Key-Flywheel
222698
25
Piston Assy.-Standard
493262
25
Piston Assy.-.010 O.S.
493385
25
493386
25
493387
26
Ring Set-Std. Piston
493261
26
Ring Set-.010 O.S. Piston
493388
26
Ring Set-.020 O.S. Piston
493389
26
493390
27
Lock, Piston Pin
26026
28
Pin Assy., Piston, Std.
298909
28
298908
29
Rod Assembly-Connecting Note: For Connecting Rod with .020 undersize Crankpin Bearing-Order No. 490743
490566
29
490743
32
Screw-Connecting Rod
94699
33
Valve-Exhaust
262651
34
Valve-Intake
262652
35
Spring-Valve
262224
40
Retainer, Valve Spring
93312
45
Tappet-Valve
262204
227
Lever Assembly-Governor
492349
230
Washer-Governor Crank
67072
562
Bolt, Governor Lever
92613
592
Nut-Hex.-10-24
231082
615
Pushnut (Governor Crank)
94474
616
Crank-Governor
262578
741
Gear-Timing
262598
12
Gasket-Crankcase
272198
15
Plug-Oil Drain
94720
18
Sump-Engine
493279
20
Seal-Oil
399781
22
Screw-Sump Mtg. Sem
94220
46
Gear-Cam
492830
47
Oil Slinger Gear and Brkt.
493737
98
Screw Assy.-Speed Adj.
493280
188A
Screw-Hex. Head
94644
201
Link-Governor
262579
209
263042.
447
*** keine Bezeichnung vorhanden
93801
605A
*** keine Bezeichnung vorhanden
224509
618
Spring-Choke Return
262749
620
Bracket-Carburetor
497203
670A
Spacer-Carburetor Bracket
493823
95
Screw-Throttle Valve Mounting Sem
94098
98A
Screw-Idle Adjustment
398185
104
Pin-Float Hinge
231371
108
Valve-Choke
223471
116
118
Valve and Spring-Needle
493765
124
Screw-Carburetor Mtg.
94525
125A
Carburetor Assembly
494217
127
130A
Valve-Throttle
223470
131
Shaft and Lever-Throttle
493267
133
Float Assy.-Carburetor
398187
134
Valve-Inlet (Includes Seat)
398188
137
141
Shaft-Choke
494218
617
Seal-Fuel Intake Tube
270344
634
955A
Main Jet(High Altitude)
493637
975
Bowl Assembly-Carburetor
493640
163
Gasket-Air Cleaner
272653
258
Screw-Hex. Head
94512
265
*** keine Bezeichnung vorhanden
213146
267
*** keine Bezeichnung vorhanden
94694
529
Grommet-Breather
281299
606
Strap-Bracket
224815
621
Switch-Stop
396847
922
Spring-Brake
262640
923
Brake Assembly
493442
966
Base-Air Cleaner
496116
967
Filter-Air
491588
968
Cover-Air Cleaner
281340
969
Screw-Cover Mtg.
94120
971
Screw-Backplate to Carburetor
94121
971A
Screw-Hex. Head
94749
187
Hose-Fuel (Cut To Suit)
492790
188
Screw-Tank Mounting (Includes Washer)
398540
601
Clamp-Hose (For 1 /2 O. D. Hose)
93807
670
Spacer-Fuel Tank
280512
957
Cap Assy-Fuel
397974
972
Guard-Muffler
494224
23
Flywheel-Magneto
492177
37
Guard-Flywheel
224511
38
Screw-Blower Housing Mtg
94608
304
Housing-Blower
493293
305
Screw-Hex Head Sem
94513
332
Nut-Flywheel
92284
363
Flywheel Puller (Optional Accessory)
19069
455
Cup-Starter
224250
949
Guard-Finger
281136
55
Housing-Rewind Starter
492831
56
Pulley-Rewind Starter
493824
57
Spring-Rewind Starter
262594
58
280399
59
Insert-Handle
396892
60
Grip-Starter Rope
393152
69
Washer-Rewind Starter
280973
69A
Washer-Rewind Starter
224322
456
Retainer-Rewind Starter
224321
459
Pawl-Starter
492833
461
Pin-Starter
262626
515
Spring-Torsion
262625
608
Starter Assy.-Rewind
493295
946
*** keine Bezeichnung vorhanden
223294
1016
Cover-Rewind Starter
224278
81
Lock-Muffler Screw
223664
300
*** keine Bezeichnung vorhanden
496104
333
Armature-Magneto
802574
334
Screw-Armature Mounting
94731
346A
Screw-Hex. Head
94602
356
Wire-Ground
398808
613
Screw-Muffler Mtg.
94231
832
Guard-Muffler
494224
851
Terminal-Ignition Cable
493880
883
Gasket-Exhaust Cap
272253
Toro
Roth / TORO
Ride-On Mowers
Hand operated
Sweeper
Snowthrower
Vac/Blower
Lawnmower
Grass Baggers
4-stroke SP
498/26638
498/26633
498/26633 B
498/26631 B
496/26639
496/26636
496/26636 B
496/26635 BC
496/26625 BG
495/26637
495/26632
495/26632 B
495/26630 BC
495/26630 BG
495/26620 BG
494/20784
494/20791
493/20783
493/20789
492/20787
492/20778
491/20786
491/20777
491/20328 B
490/20327 B
489/20927 B
489/20926 B
489/20925
488/20920
487/20914
487/20909 BC
487/20905
479
477
350000
335000
330000
320000
310000
300000
290000
280000
Gearbox
Engine B&S
Mower (Assy.)
270000
260000
250000
469
465/20781
465/20779
464
459/20824
459/20821
459/20821 B
459/20820 BC
458/20823
458/20822
457
456/20808
456/20808 B
456/20807 BC
456/20806 B
455/20803
455/20803 B
455/20802 BC
455/20801 B
453
449
439
437/22173
437/22157
437/22154
437/22154 B
437/22153 BC
434
424
421/20652
417/20832
417/20829
417/20827
416/20831
416/20828
416/20826
415/20817
415/20811
4-stroke
2-stroke SP
2-stroke
Electric
Battery
Robin
Condiciones
(C) by motoruf