volver a
motoruf
Warenkorb

Lista de repuestos para Toro Roth / TORO Engine B&S Model No. 130202-1640-01


Lista de repuestos 1
Lista de repuestos 2
Lista de repuestos 3


pos.descripciónNúmero de pieza
*270125
298985
*270126
298907
66884
93368
Plug, Spark (with gasket)293918
91249
298908
298984
Washer-Gov. Crank222450
*270080
93369
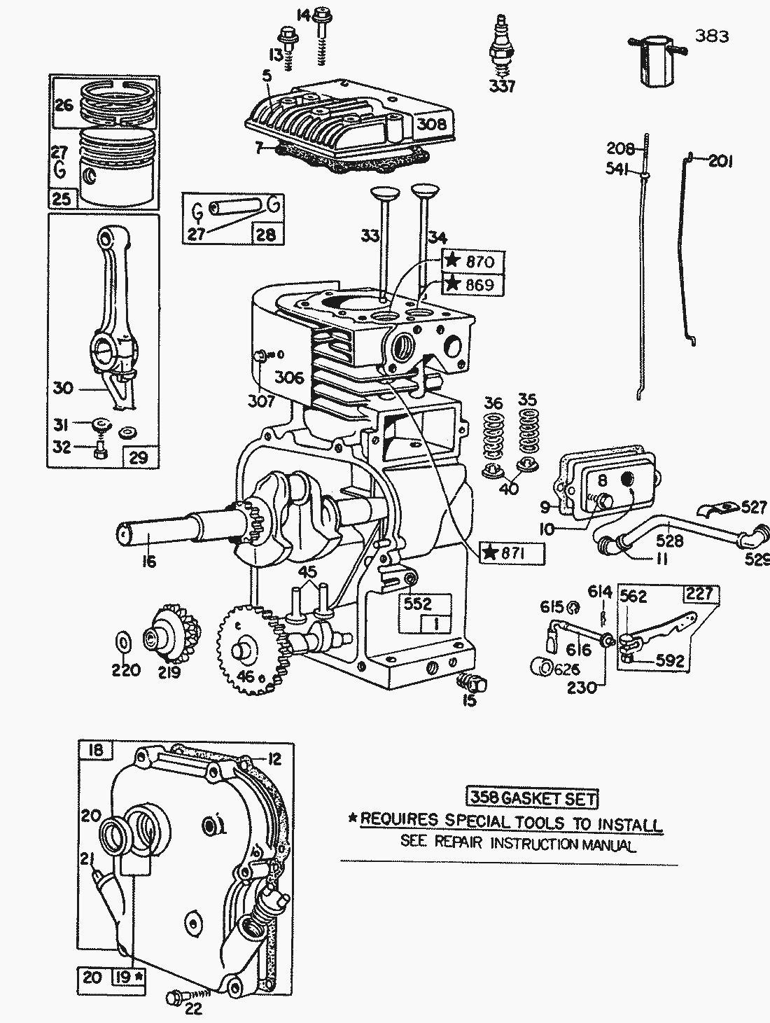
Lista de repuestos


pos.descripciónNúmero de pieza
1Cylinder Assembly395990
5Head, Cylinder211542
7Gasket, Cylinder Head*270383
8Breather, Valve Chamber294178
9Gasket, Valve Cover*27549
10Screw, Breather Mtg. Sem93394
11Grommet, Breather Tube66578
16Crankshatt260938
18Cover Assy., Crankcase297602
19Bushing, Crankcase Cover**297603
20Seal, Oil294606
21Plug, Oil Filler66768
22Screw, Crankcase Cover Mtg. Sem Model 130200 Series Piston Ring Sets-for Chrome piston ring set, Standard size, order Part No93032
25Piston Assy., Standard298904
Piston Assy., .010 O.S.298905
Piston Assy., .020 O.S.298906
26Ring Set, Standard Piston Consists of:298982
Ring Set, .010 O.S. Piston Consists of:298983
27Lock, Piston Pin26026
28Pin Assy., Piston, Std.298909
29Rod Assy., Connecting For Connecting Rod with .020 Undersize Crankpin bore, order No. 390459299430
30Dipper, Connecting Rod221890
31Washer (One for each screw)222282
32Screw, Connecting Rod92296
33Valve, Exhaust211119
34Valve, Intake261044
35Spring, Intake Valve260552
36Spring, Exhaust Valve26478
40Retainer, Valve Spring93312
45Tappet, Valve260642
46Gear, Cam211117
201Link-Governor261558
208Rod, Control230737
219Gear-Governor391737
220Washer, Thrust221551
227Lever Assy.-Governor393920
306Shield, Cylinder221511
307Screw, Condenser Clamp Mtg. Sem93042
308Cover, Cylinder Head221512
358Gasket Set297615
383Wrench-Spark Plug89838
527Clamp, Breather Tube221514
528Tube, Breather230722
529Grommet, Breather Tube67838
541Washer22398
552Bushing-Governor Crank231079
562Bolt, Governor Lever92613
592Nut-Hex.-10-24231082
614Cotter, Hair Pin93306
615Retainer, E-Ring93307
616Crank-Governor231077
626Spacer-Governor Crank230749
869Seat-Intake Valve (Std.)211787
870Seat-Exhaust Valve (Std.)211172
871Guide-Exhaust Valve63709
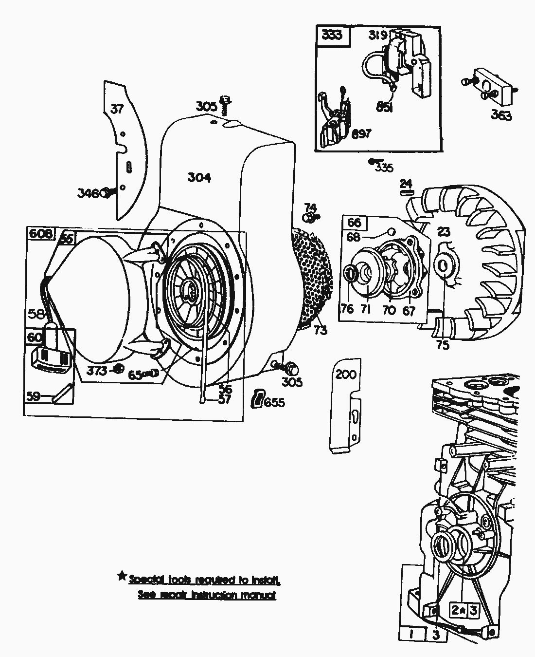
Lista de repuestos


pos.descripciónNúmero de pieza
2Bushing, Cylinder**297565
3Seal-Oil299819
23Flywheel, Magneto297229
24Key-Flywheel222698
37Guard-Flywheel222443
55Housing, Rewind Starter299431
56Pulley, Rewind Starter295871
57Spring, Rewind Starter294303
59Pin, Starter Grip230228
60Grip-Starter Rope393152
65Screw, Rewind Starter Housing Mtg.93067
66Clutch Assy.-Rewind Starter394558
67Housing-Starter Clutch394897
68Ball, Clutch63770
70Ratchet, Rewind Starter298436
71Washer, Clutch Retainer221653
73Screen, Starter Pulley221923
74Screw, Sem93490
75Washer, Spring220865
76Washer, Ratchet Sealing68238
200Guide, Air221480
304Housing, Blower299410
305Screw, Blower Housing Mtg.93158
319Armature Assy. (Less Trigger Coil)395490
333Armature-Magneto395491
335Screw, Armature Mtg. Sem93414
346Screw-Sem93705
363Flywheel Puller (Optional Accessory)19069
373Nut-Hex.92987
608Starter Assy.-Rewind390463
655Anchor-Spring222598
851Terminal-Ignition Cable221798
897Trigger Coil394970
Lista de repuestos


pos.descripciónNúmero de pieza
52Gasket, Carburetor Mtg.*27355
81Lock-Screw222263
90Carburetor Assy.299576
95Screw-Throttle and Choke Valve Mounting Sem93499
96Throttle, Carburetor211203
97Shaft and Lever, Throttle299212
114Gasket, Needle Valve Nut66594
116Packing, Needle Valve65978
117Nut, Needle Valve230590
118Valve, Needle23433
124Screw, Hex. Head93357
147Seat, Needle Valve230591
148Washer, Needle Valve22235
149Spring, Needle Valve26336
152Spring, Throttle Adjustment260575
154Screw-Machine, Rd. Hd.-5-40 x 5/893527
163Gasket-Air Cleaner Mounting27660
180Tank Assembly, Fuel297600
181Cap-Fuel Tank297863
190Screw-Fuel Tank Mounting93440
191Gasket, Fuel Tank Mtg.*27911
202Link, Throttle260678
203Crank-Bell393919
204Bushing-Governor Lever (Flat)222962
205Screw-Shoulder93838
209Spring, Governor260695
216Link, Choke299859
217Spring, Choke Link260189
218Washer, Choke Link221198
223Lever, Governor Control221517
224Rivet, Governor Control, Lever Mtg.93491
256Link, Choke299859
265Clamp, Casing221535
267Screw, Sem93496
300Muffler-Exhaust393615
356Wire-Ground Note: 391255 Wire-Jumper used in addition to No. 299500 Ground Wire299500
392Spring, Fuel Pump Diaphragm260455
394Diaphragm270026
414Washer220982
432Cap, Spring221377
433Pin, Diaphragm Cover93265
434Cover, Diaphragm210959
435Screw, Diaphragm Cover93141
526Screw, Tank Bracket Mtg. Sem93343
534Screw, Air Cleaner93322
535Element, Air Cleaner27987
536Cleaner Assembly, Air297036
542Screw92265
609Spring, Throttle Link260694
611Fuel Pipe & Clip Assy.391813
612Pipe, Fuel296811
613Screw93935
621Switch, Stop297472
634Washer, Throttle Shaft (Felt)270167
643Cup-Air Cleaner280374
676Deflector-Exhaust (Direct Outlet)395700
681Needle Valve Kit299060
725Shield-Heat Note: Furnished by the equipment manufacturer.222595
883Gasket-Muffler270918
Toro
Condiciones
(C) by motoruf