volver a
>
Roth / TORO
>
Ride-On Mowers
>
Traktor
>
13-32 XLE
>
390/71209
>
210000001
>
Engine B&S Model 28M707-1122-E1
Lista de repuestos para Toro Roth / TORO Engine B&S Model 28M707-1122-E1
Lista de repuestos 1
Lista de repuestos 2
Lista de repuestos 3
Lista de repuestos 4
Lista de repuestos 5
Lista de repuestos 6
Lista de repuestos 7
Lista de repuestos 8
Lista de repuestos 9
pos.
descripción
Número de pieza
391782
391783
271916
499294
490469
499290
499286
pos.
descripción
Número de pieza
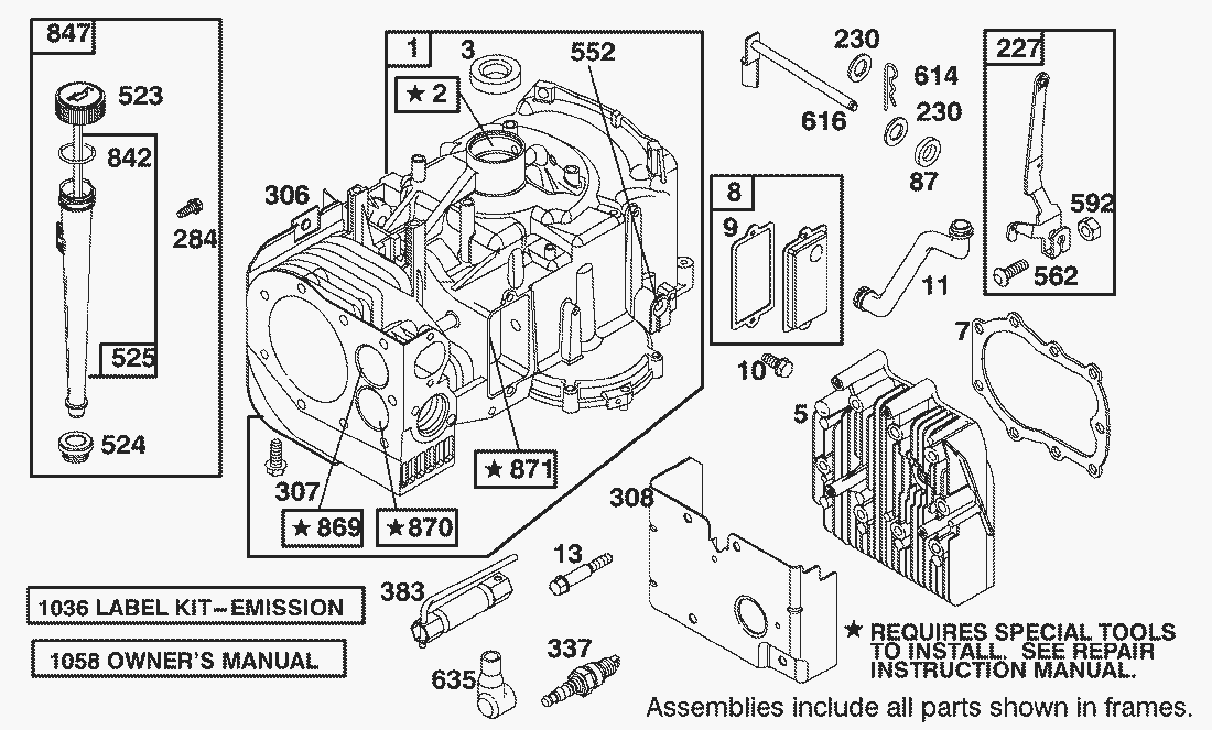
1
Cylinder Assembly
496413
2
Bearing-Cylinder Note: Installation Requires Special Tools
399265
3
Seal-Oil
391086
5
Head-Cylinder
494240
7
Gasket-Cylinder Head
271866
8
Breather Assembly
495735
9
Gasket-Valve Cover
27803
10
Screw
94621
11
Tube-Breather
280100
13
Screw-Cylinder Head
94622
87
Seal-Oil
491323
227
Lever Assy.-Governor
493935
230
Washer-Flat
94927
284
Screw-Shoulder
94903
306
Shield-Cylinder
224545
307
Screw-Hex. Head
94930
308
Cover-Cylinder Head
491490
337
Plug-Spark (Resistor Type-1-7/8 high, 47 M.M.)(Model No. 38566 only)
802592
383
Wrench-Spark Plug
89838
523
Cap and Dipstick Oil Filler
495230
524
Seal-Filler Tube
281370
525
Tube-Oil Filler
496113
552
Bushing-Crank, Gov.
491986
562
Bolt-Governor Lever
94907
592
Nut-Hex.
231978
614
Cotter, Hair Pin
93306
616
Crank-Governor
495157
635
Elbow-Spark Plug
66538
842
Seal-Oil Filler Cap
270920
847
Fill Group-Oil
496415
869
Seat-Intake Valve (Standard)
261463
870
Seat-Exhaust Valve
262924
871
Guide-Exhaust Valve Note: 231218 Guide-Exhaust on Intake Valve (Brass). See Repair Manual.
261961
1036
Label Kit-Emission
499362
1058
Owner s Manual
273681
pos.
descripción
Número de pieza
16
Crankshaft
498971
24
Key-Flywheel
222698
43
Oil Slinger
490815
46
Gear-Cam
212897
146
Key-Timing Gear
94196
741
Gear-Timing
262932
757
Link-Counterweight
213998
758
Counterweight Assy.
399891
759
Pin-Counterweight
230787
761
Screw-Counterweight
94593
pos.
descripción
Número de pieza
4
Base-Engine
494238
Gasket-Crkcse Cover, .009 Thick * Included in Gasket Set Part No. 494241.
271996
15
Plug-Oil Drain
94239
20
Seal-Oil
291675
22
Screw-Base Mtg. Sem
94624
25
Piston Assy. (Std.)
499282
26
Ring Set-Piston-Standard
391780
Ring Set-Piston-.010 O.S.
391781
27
Lock-Piston Pin
263129
28
Pin Assy.-Piston (Standard)
498319
Pin Assy.-Piston (.005 O.S.)
498320
29
Connecting Rod Assy. Note: For Connecting Rod with .020 Undersize Crankpin Bore-Order No.490469.
490348
32
Screw-Connecting Rod
94671
33
Valve-Exhaust
262246
34
Valve-Intake
262247
35
Spring-Intake Valve
65906
36
Spring-Exhaust Valve
26828
40
Retainer-Intake Valve
221596
41
Rotocoil-Exhaust Valve
292260
42
Retainer-Ex. Valve Rotocoil
494553
45
Tappet-Valve
262248
pos.
descripción
Número de pieza
50
Carburetor-Elbow
213819
51
Gasket-Carb (Carb to Elbow)
272465
51
Gasket-Carburetor Mtg.
272554
53
Stud-Carb Mtg
94637
93
Bushing-Throttle
281346
94
Valve-Needle
498030
95
Screw-Throttle Valve Mounting Sem
94098
98
Screw-ldle Speed
495800
104
Pin-Float Hinge
231789
105
Valve Assy.-Inlet Needle
231855
106
Inlet Valve Seat
231854
108
Valve-Choke
224667
108
Valve-Choke
224540
123
Screw-Elbow Mtg.
94913
125
Carburetor Assembly
498027
127
130
Valve-Throttle
224539
131
Shaft and Lever-Throttle
494379
133
Float-Carburetor
494381
137
Gasket-Float Bowl
281165
138
Washer-Float Bowl Screw
281164
141
Shaft Kit-Choke (Manual)
495097
141
Shaft and Lever-Choke
495931
142
Nozzle-Carburetor
497566
Nozzle-Carburetor (High Alt.)
497567
186
Elbow-Fuel Pipe
493496
187
Line-Fuel
298049
240
Filter-Fuel (In Fuel Line)
394358
601
Clamp-Fuel Pipe
93053
618
Spring-Choke Return
262803
634
Seal-Spring Assembly
494453
634
Seal-Spring Assembly
494455
950
Screw-Fuel Bowl
94642
965
Locknut-Air Cleaner Mtg.
94010
975
Bowl Assy-Carb
494378
987
Seal-Throttle Shaft
281166
1091
Cap-Limiter
281364
pos.
descripción
Número de pieza
171
Nut-Air Cleaner Mtg
281051
224
Screw-SternantriebêHex.
94905
284
Screw Hex. Head
94704
445
Cartridge-Air Cleaner
496894
467
Knob-Air Cleaner
493903
535
Element-Air Cleaner
272403
537
O-Ring-Air Cleaner
281106
646
Brace-Air Cleaner
224546
663
Screw-Clamp Mtg.
94620
872
Cover-Air Cleaner
281361
875
Body-Air Cleaner
494237
pos.
descripción
Número de pieza
201
Link-Governor
262767
209
Spring-Governor
260871
216
Link-Choke
262766
222
Plate-Governor Control
495611
232
Spring-Governor Link
262785
265
Clamp, Casing
221535
333
Armature-Magneto
492341
334
Screw-Armature Mounting
94731
356
Wire-Ground
494328
474
Stator-Alternator (Dual Circuit)
393474
482
Screw-Sem
93621
657
Screw-Sem
94906
663
Screw-Hex. Hd.
94929
851
Terminal-Ignition Cable
493880
877
Diode and Connector Assy. (Dual Circuit)
393456
pos.
descripción
Número de pieza
23
Flywheel and Ring Gear
492326
37
Guard-Flywheel
224502
73
Screen-Flush Rotating
224948
75
Washer-Flat
225136
78
Screw
94626
188
Screw
94627
304
Housing-Blower
496431
305
Screw-Hex. Washer Hd.
94786
346
Screw-Hex. Head
94896
363
Puller-Flywheel(Optional Accessory)
19203
455
Cup-Screen Mounting
222561
668
Spacer
280848
726
Gear-Flywheel Ring (Includes Mounting Parts)
392134
727
Cover-Starter
490324
729
Clip-Relief
281159
1005
Fan-Flywheel
281400
1006
Retainer-Fan
224413
1044
Screw-Hex. Head
94673
pos.
descripción
Número de pieza
110
Washer-Flat
225137
309
Motor-Starter
497595
310
Bolt
94003
311
Brush Set
497608
503
Strap-Starter
806000
510
Drive-Starter
497606
544
Armature-Starter
497603
592
Nut-Hex.
92278
615
Retainer
263080
728
Screw-Sternantriebê
94951
729
Clip-Wire
225170
783
Gear
280104
801
Drive End Cap Assembly
394856
802
Plate-Cover
497607
803
Housing-Starter
497604
1090
Cap-End
497605
pos.
descripción
Número de pieza
Gasket-Crkcse Cover, .005 Thick * Included in Gasket Set Part No. 494241.
271997
121
Carburetor Kit
499220
142
Nozzle-Carburetor
494566
358
Gasket Set
494241
977
Carburetor Gasket Kit
494385
1095
Gasket Set-Valve Overhaul
498539
Toro
Roth / TORO
Ride-On Mowers
Traktor
264-6
246 HE
244-5
212-H
212-5
17-44 HXLE
16-44 HXL
16-38 HXL
16-38 XLE
15-44 HXL
15-38 HXL
14-38 HXL
14-38 XL
13-38 HXL
13-38 XL
13-32 XLE
390/71209
220010001
210000001
Engine B&S Model 28M707-1122-E1
Peerlesss Transaxle Model MST 205-509
Engine System Components
Electrical Components
HOC Components
5 Speed Transaxle Assy.
Shifting Components
Traction Clutch Components
Engine Systems Components
Fixed Steering Assy.
Steering Components
Rear Body & Seat Assy.
Hood & Tower Assy.
Frame & Body Assy.
200000001
9900001
12-38 HXL
12-38 XL
12-32 XL
264 H
265 H
267 H
268 H
270 H
520 xi
520 Lxi
523 Dxi
Rider
Mower decks
Attachements
Hand operated
Robin
Condiciones
(C) by motoruf