volver a
>
Roth / TORO
>
Hand operated
>
Lawnmower
>
2-stroke SP
>
287/20916B
>
1000001
>
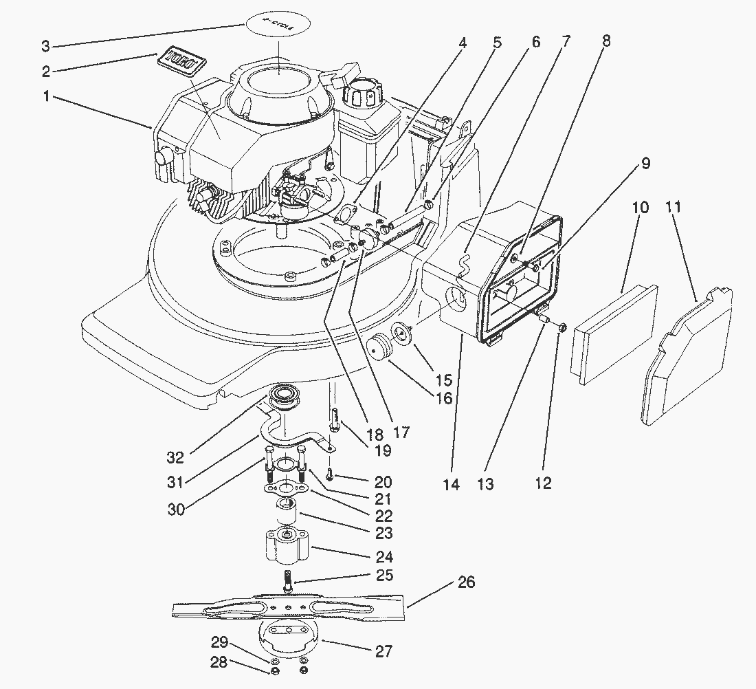
Engine Assy. (Model No. 20916B)
Lista de repuestos para Toro Roth / TORO Engine Assy. (Model No. 20916B)
pos.
descripción
Número de pieza
1
Engine-2 Cycle
77-2800
2
TORO SCHILD
46-8290
3
KLEBESCHILD
57-3110
4
DICHTUNG
81-0090
5
BENZINSCHLAUCH
51-3215
6
SCHLAUCHKLEMME
2412-95
7
Hose-Primer
44-3172
8
SCHEIBE
3256-16
9
SCHRAUBE
51-2690
10
Element-Air Cleaner
63-9380
11
Cover-Air Cleaner
63-9340
12
Nut-Lock
50-7180
13
Spacer
62-3980
14
Body-Air Cleaner
63-9330
15
Body-Primer
44-2750
16
Bulb-Primer
66-7460
17
BENZINVORFILTER
56-6360
18
BENZINSCHLAUCH
51-3216
19
Bolt-Engine
66-9302
20
Screw Thread Forming
32144-4
21
Bracket-Retainer
71-9220
22
Spring-Friction
71-8840
23
Hub-Crankshaft
71-8780
24
Retainer-Blade
71-8790
25
Screw-Crankshaft
71-8950
26
Blade-48cm
71-8210
27
Cup-Anti-Scalp
42-0910
28
MUTTER
52-3620
29
SCHEIBE
40-1940
30
Screw-Blade
71-8940
31
Guide-Belt Engine (Model No. 20915 Only)
71-7960
32
Pulley-Driver (Model No. 20915 Only)
62-7550
Toro
Roth / TORO
Ride-On Mowers
Hand operated
Sweeper
Snowthrower
Vac/Blower
Lawnmower
Grass Baggers
4-stroke SP
4-stroke
2-stroke SP
295/26643
295/26643 B
295/26640 BC
295/26640 B
287/20916B
2000001
1000001
Muffler Assy. (Model No. 47PL0-6)
Carburetor Assy. (Model No. 47PL0-6)
Governor Assy. (Model No. 47PL0-6)
Recoil Assy. (Model No. 47PL0-6)
Ignition Assy. (Model No. 47PL0-6)
Crankshaft Assy. (Model No. 47PL0-6)
Bag Assy.
S.P. Handle Assy. (Model No. 20916B)
Gearbox Assy. No. 71-8250 (Model No. 20916B)
S.P. Rear Axle Assy. (Model No. 20916B)
Engine Assy. (Model No. 20916B)
Housing Assy. (Model No. 20916B)
277
255/22700 BC
255/22700
239
237/22045
237/22045 B
237/22044 BC
237/22036
237/22035
234
224
222/16212 WG
2-stroke
Electric
Battery
Robin
Condiciones
(C) by motoruf