volver a
>
Roth / TORO
>
Ride-On Mowers
>
Rider
>
8-25
>
372/70060
>
49000001
>
Engine Assy.
Lista de repuestos para Toro Roth / TORO Engine Assy.
pos.
descripción
Número de pieza
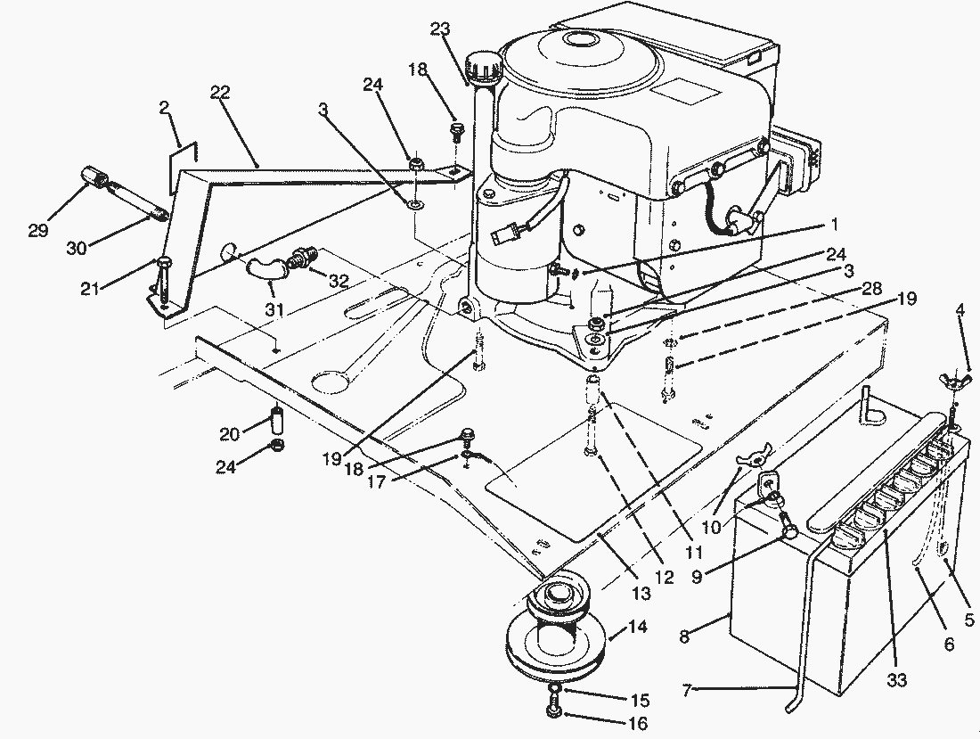
1
Lockwasher
3255-7
2
Decal-Europe Noise
114621
3
Washer
3256-23
4
Nut-Wing
32103-14
5
Post-Battery
56-7720
6
Vent-Tube
56-2540
7
Hold Down-Battery
56-7710
8
Battery-7 Plate
80-2600
9
Capscrew
321-4
10
Nut-Wing
32103-22
11
Spacer
80-4560
12
Screw-Cap Hex. Hd.
322-12
13
Pad-Antiskid
62-4300
14
Pulley-Engine
83-4840
15
Washer-Flat
3256-25
16
Screw-Cap Hex. Hd.
62-3760
17
Assembly-Wire Battery to Ground
56-7870
18
Screw-Wash. Hd., Tap.
32144-14
19
Capscrew
322-7
20
Guide-Belt
67-0920
21
Capscrew
322-10
22
Guard-Chain
67-0962-01
23
24
MUTTER
3296-29
28
Lockwasher
3255-8
29
Pipe Cap
288-2
30
Pipe Nipple
289-34
31
Elbow-Street
2811-17
32
Reducer
2812-1
33
Cap-Battery
84-8470
Reducer-Throttle
88-4490
Toro
Roth / TORO
Ride-On Mowers
Traktor
Rider
HMR 1600
12-32 E
12-32
11-32
10-32 E
8-25
372/70122
372/70060
89000001
79000001
59000001
49000001
Transmission Peerlesss Model 700-025
B&S Model No. 195707-0121-01
Starter - B&S No. 195707-0121-01
Cutting Unit Assy.
Differential Assy.
Rear Axle Assy.
Electrical Schematic
Engine Assy.
Transmission & Linkage Assy. (Cont.)
Transmission & Linkage Assy.
Rear Body Assy.
Front Axle Assy.
Seat & Fuel Tank Assy.
Frame Assy.
Front Body Assy.
39000001
6900001
110-4E
110-4
Mower decks
Attachements
Hand operated
Robin
Condiciones
(C) by motoruf