volver a
>
Roth / TORO
>
Ride-On Mowers
>
Traktor
>
16-44 HXL
>
393/71218
>
8900001
>
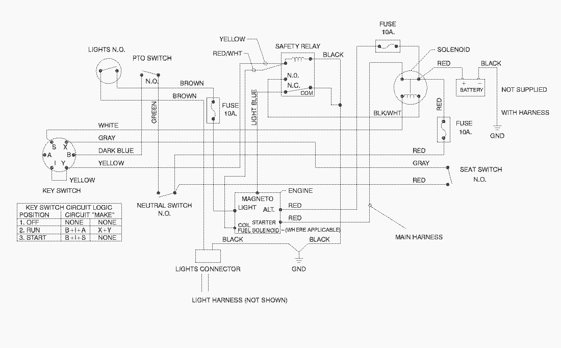
Electrical Schematic
Lista de repuestos para Toro Roth / TORO Electrical Schematic
pos.
descripción
Número de pieza
1
Fuse-10A
218-578
Toro
Roth / TORO
Ride-On Mowers
Traktor
264-6
246 HE
244-5
212-H
212-5
17-44 HXLE
16-44 HXL
393/71218
8900001
Engine B&S Model 28Q777-0668-E1
Battery Assy.
Hydro Transaxle Assy. (Cont.)
Hydro Transaxle Assy.
Electrical Schematic
Electrical Assy.
HOC Assy.
Speed Control Assy.
Transaxle Assy.
Rear Axle Assy.
Clutch Assy.
Engine Assy.
Steering Assy.
Front Axle Assy.
Seat Assy.
Hood Assy.
Frame Assy.
7900001
6900001
16-38 HXL
16-38 XLE
15-44 HXL
15-38 HXL
14-38 HXL
14-38 XL
13-38 HXL
13-38 XL
13-32 XLE
12-38 HXL
12-38 XL
12-32 XL
264 H
265 H
267 H
268 H
270 H
520 xi
520 Lxi
523 Dxi
Rider
Mower decks
Attachements
Hand operated
Robin
Condiciones
(C) by motoruf