volver a
>
Roth / TORO
>
Hand operated
>
Lawnmower
>
2-stroke SP
>
277
>
300000
>
Drive Assy.
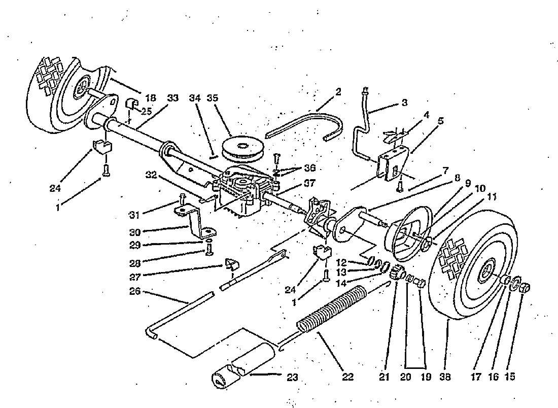
Lista de repuestos para Toro Roth / TORO Drive Assy.
pos.
descripción
Número de pieza
1
SCHRAUBE
18587
2
KEILRIEMEN
18375
3
STELLSTREBE
20009
4
BLATTFEDER
18308
5
RASTE
18306
7
FORMSCHRAUBE
12393
8
19312
9
18377
10
SPEZIALSCHRAUBE
13072
11
ZAHNRAD
18105
12
STUETZSCHEIBE
17711
13
SICHERUNGSSCHEIBE
03899
14
TOPFSCHEIBE
13340
15
STOPMUTTER
10988
16
SCHEIBE
13853
17
GLEITLAGER
07542
19
* FREILAUF KOMPL. LINKS
12619
20
* FREILAUF KOMPL. RECHTS
12620
21
RITZEL
12558
22
AUSGLEICHSFEDER
18338
23
FEDERABDECKUNG
18339
24
ACHSHALTER
19584
25
LAGERSCHALE HINTEN
19586
26
VERBINDUNGSSTANGE
18305
27
ZEIGER
18355
28
SCHRAUBE
06242
29
ZAHNSCHEIBE
10774
30
18548
31
06691
32
19216
33
19313
34
SPANNSTIFT
18209
35
RIEMENSCHEIBE
18843
36
SCHEIBE
13043
37
GETRIEBE KOMPL. 43CM REC.
18592
38
RAD
17552
Toro
Roth / TORO
Ride-On Mowers
Hand operated
Sweeper
Snowthrower
Vac/Blower
Lawnmower
Grass Baggers
4-stroke SP
4-stroke
2-stroke SP
295/26643
295/26643 B
295/26640 BC
295/26640 B
287/20916B
277
320000
310000
300000
Carburetor
Flywheel+Ignition
Recoil Starter
Engine Governor
ShortBlock
Muffler
Engine 47PS5-6
Gearbox
Drive Assy.
Handle Control
Handle
Blade
Bag
Motor
Deck
290000
280000
270000
260000
250000
255/22700 BC
255/22700
239
237/22045
237/22045 B
237/22044 BC
237/22036
237/22035
234
224
222/16212 WG
2-stroke
Electric
Battery
Robin
Condiciones
(C) by motoruf