volver a
>
Roth / TORO
>
Ride-On Mowers
>
Mower decks
>
97cm Seit
>
538/78215
>
4900001
>
Cutting Unit Assy.
Lista de repuestos para Toro Roth / TORO Cutting Unit Assy.
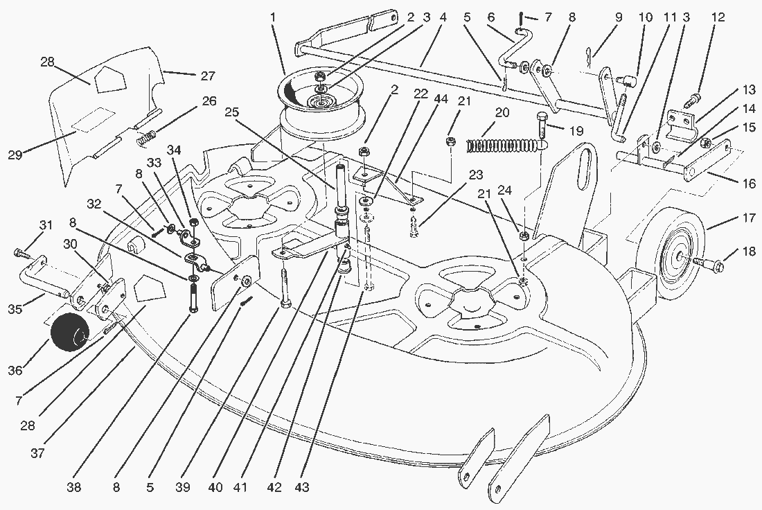
pos.
descripción
Número de pieza
1
Pulley-Idler
78-8250
2
Locknut
3296-39
3
Flat Washer
3256-24
4
Shaft-R.H.
78-8011
5
Pin-Cotter
3272-21
6
Link-Rear
78-8071
7
Cotter-Hair Pin
933506
8
Washer
3256-26
9
Cotter-Hair Pin
933504
10
Trunnion
110656
11
Rod-Lift
121010
12
Screw
926715
13
Camp
78-6400
14
Cotter Pin
3272-6
15
Nut-Hex
33146-2
16
Shaft-L.H.
78-7991
17
Wheel-Gage
110506
18
Bolt-Shoulder
5188
19
Capscrew
322-6
20
Spring
78-6210
21
MUTTER
3296-29
22
Washer-Special
2844
23
Capscrew
322-3
24
Hex Nut
3217-6
25
Spacer
109950
26
Spring-Torsion
57-6950
27
Chute/Safety Decal Assy.
92-5788
28
Decal-Danger
93-1122
29
Decal-Danger
92-7108
30
MUTTER
3296-42
31
Capscrew
321-4
32
Bracket-Lower Lift
86-9240
33
Bracket-Upper Lift
86-9250
34
Hex. Jam Nut
3218-5
35
Shaft-Roller
118960
36
Roller
29-4820
37
Deck/Safety Decal Assy.
92-8015
38
Screw-Hex Hd. Cap
325-13
39
Capscrew
323-10
40
Arm-Idler
78-3370
41
Fitting-Grease
302-26
42
Bushing
109859
43
Screw-Hex. Hd.
323-16
44
Brace
78-8091
Toro
Roth / TORO
Ride-On Mowers
Traktor
Rider
Mower decks
91cm Heck
97cm Seit
313/05-38SL01
538/78215
3900001
4900001
Blade & Spindle Assy.
Cutting Unit Assy.
Cover Assy.
538/78216
538/78218
107cm Seit
112cm Seit
122cm Seit
132cm Seit
152cm Seit
Attachements
Hand operated
Robin
Condiciones
(C) by motoruf