volver a
>
Roth / TORO
>
Ride-On Mowers
>
Traktor
>
267 H
>
505/72104
>
7900001
>
Cruise Control
Lista de repuestos para Toro Roth / TORO Cruise Control
pos.
descripción
Número de pieza
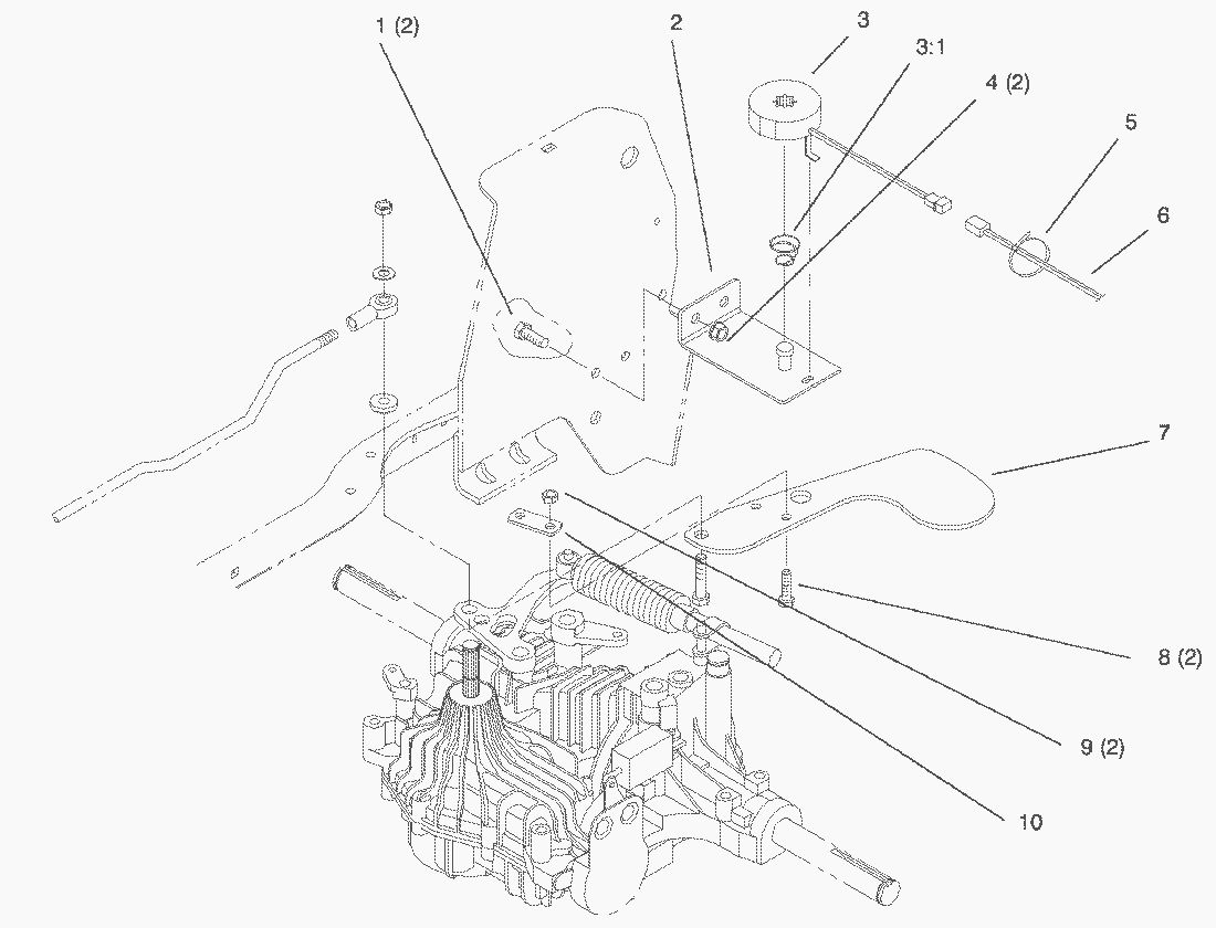
1
Capscrew
323-6
2
Cruise Bracket (Only On: 72103)
93-0512-03
3
Magnet Assembly (INCL 7: Only On: 72103)
93-4366
31
Spring-Conical (Only On: 72103)
93-6601
4
Locknut
3296-39
6
Harness-Wire (Only On: 72103)
93-4364
7
Arm-Cruise (Only On: 72103)
93-0511
8
Hex Hd. Capscrew
322-5
9
MUTTER
3296-29
10
Clamp-Cruise (Only On: 72103)
93-0515
Toro
Roth / TORO
Ride-On Mowers
Traktor
264-6
246 HE
244-5
212-H
212-5
17-44 HXLE
16-44 HXL
16-38 HXL
16-38 XLE
15-44 HXL
15-38 HXL
14-38 HXL
14-38 XL
13-38 HXL
13-38 XL
13-32 XLE
12-38 HXL
12-38 XL
12-32 XL
264 H
265 H
267 H
505/72104
6900001
7900001
Hood and Grill
Dash
Steering Wheel and Tilt
Lower Steering
Front Axle
Seat
Fender and Footrest
Twin Cylinder Engine, Muffler, and P.T.O.
Clutch 92-6885
Battery
Hoodstand and Firewall
Fuel Tank and Hydro Reservoir
Lift Lever and HOC
Frame
Hydro Drive Components
Hydro Brake
Hydro Control
Hydro Transaxle
Cruise Control
Rear Wheel
Crankshaft
Crankcase
Oil Pan / Lubrication
Head/Valve/Breather
Ignition/Electrical
Blower Housing & Baffles
Start System
Fuel System
Engine Controls
Air Intake/Filtration
Exhaust
Transaxle Case
Center Case
Pump Shaft
EngineShaft
Range Shift
Bypass Return
Lever Damper
N-Centering
Brake Interlock
Differential Gear
Final Pinion
Axle Shaft
Brake
8900001
8900600
268 H
270 H
520 xi
520 Lxi
523 Dxi
Rider
Mower decks
Attachements
Hand operated
Robin
Condiciones
(C) by motoruf