volver a
>
Roth / TORO
>
Hand operated
>
Lawnmower
>
2-stroke SP
>
287/20916B
>
2000001
>
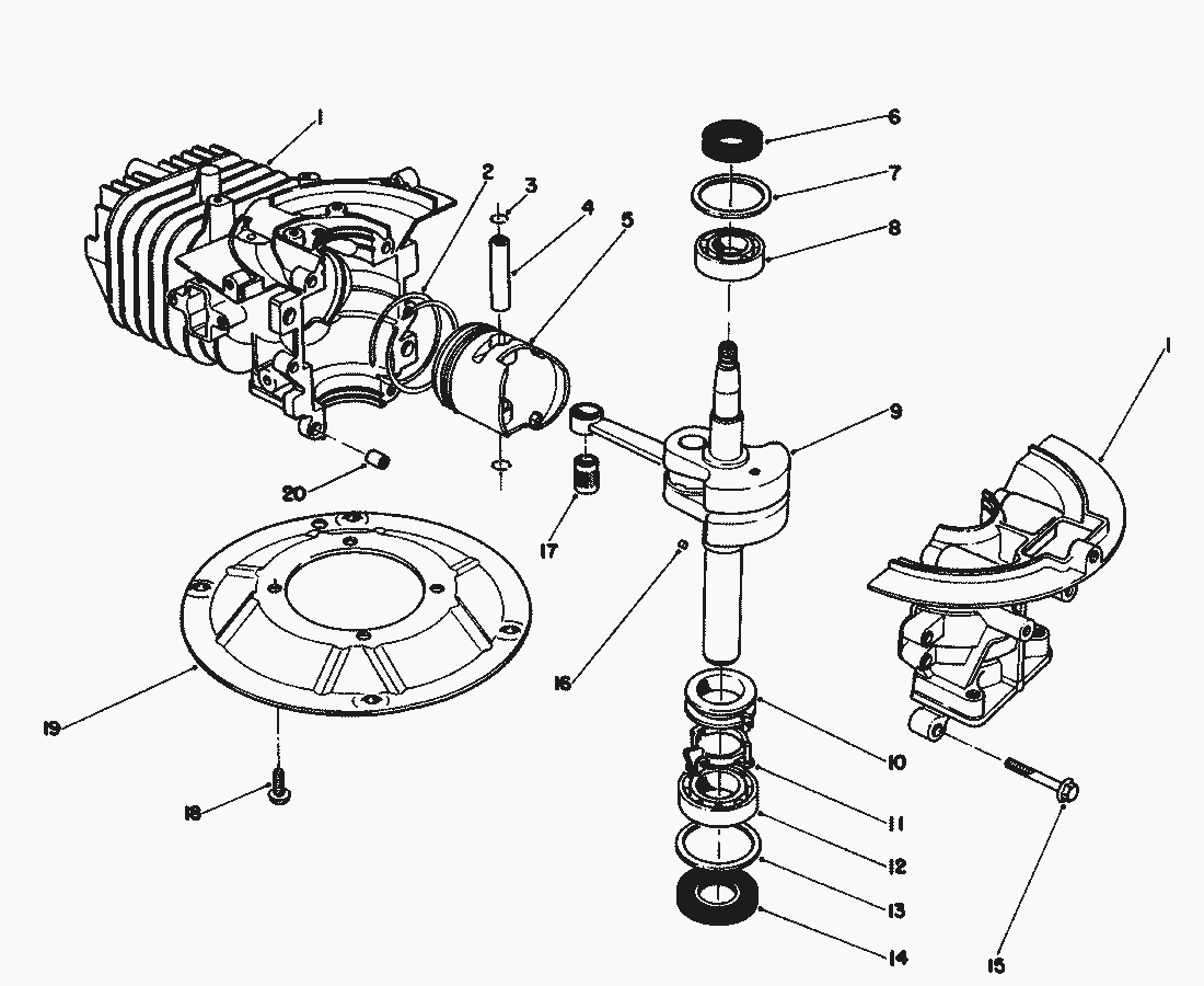
Crankshaft Assy. (Model No. 47PM1-6)
Lista de repuestos para Toro Roth / TORO Crankshaft Assy. (Model No. 47PM1-6)
pos.
descripción
Número de pieza
1
KURBELGEH. MIT ZYLINDER
81-2800
2
KOLBENRINGSATZ
81-0590
3
SICHERUNG
81-0620
4
KOLBENBOLZEN
81-0600
5
KOLBEN
81-0580
6
SIMMERRING
81-0720
7
SCHEIBE
81-0710
8
LAGER
81-0690
9
KURBELWELLE INNENGEWINDE
81-4600
10
REGLERRING
81-0770
11
REGLERHALTER
81-0750
12
LAGER
81-0700
13
SCHEIBE
81-0730
14
SIMMERRING
81-0740
15
SCHRAUBE
81-0540
16
STIFT
81-0760
17
PLEUELLAGER
81-0610
18
SCHRAUBE
81-0570
19
MOTORPLATTE
81-0560
20
STIFT
81-0520
2-TAKT-MOTOR OHNE TANK
12-7699
Toro
Roth / TORO
Ride-On Mowers
Hand operated
Sweeper
Snowthrower
Vac/Blower
Lawnmower
Grass Baggers
4-stroke SP
4-stroke
2-stroke SP
295/26643
295/26643 B
295/26640 BC
295/26640 B
287/20916B
2000001
Muffler Assy. (Model No. 47PM1-6)
Carburetor Assy. (Model No. 47PM1-6)
Governor Assy. (Model No. 47PM1-6)
Recoil Assy. (Model No. 47PM1-6)
Ignition Assy. (Model No. 47PM1-6)
Crankshaft Assy. (Model No. 47PM1-6)
Bag Assy.
S.P. Handle Assy. (Model No. 20916B)
H.P. Handle Assy. (Model No. 20911B)
Gearbox Assy. No. 71-8250 (Model No. 20916B)
S.P. Rear Axle Assy. (Model No. 20916B)
Engine Assy. (Model No. 20916B)
Housing Assy. (Model No. 20916B)
1000001
277
255/22700 BC
255/22700
239
237/22045
237/22045 B
237/22044 BC
237/22036
237/22035
234
224
222/16212 WG
2-stroke
Electric
Battery
Robin
Condiciones
(C) by motoruf