volver a
>
Roth / TORO
>
Hand operated
>
Lawnmower
>
4-stroke SP
>
488/20920
>
0000001
>
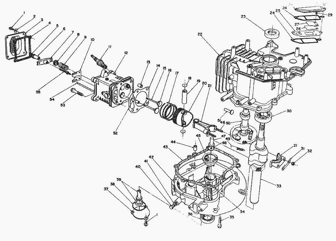
Crankcase Assy. (Model No. VMK9)
Lista de repuestos para Toro Roth / TORO Crankcase Assy. (Model No. VMK9)
pos.
descripción
Número de pieza
1
SCHRAUBE
81-1170
2
Washer
81-3790
3
Cover-Rocker Arm
81-3780
4
Gasket-Cover
81-3770
5
Nut-Jam
81-3760
6
Pivot-Rocker Arm
81-3750
7
Arm-Rocker
81-3740
8
Retainer-Valve Spring
81-3730
9
Spring-Valve
81-3720
10
Guide-Push Rod
81-3710
11
Plug-Spark
81-3250
12
Head-Cylinder (Incl. Ref.
81-5540
13
Pin-Dowel
81-3690
14
Gasket-Cylinder Head
81-4710
Gasket Set
81-3820
15
Valve-Exhaust
81-3660
16
Valve-Intake
81-3670
17
Piston Ring Set
81-3650
18
Circlip
50-0960
19
Pin-Piston
81-3630
20
Piston
81-3620
21
Connecting Rod Assembly (Incl. Ref.
81-3390
22
Block-Engine (Incl. Ref.
81-3280
23
Seal-Upper Crankshaft
81-3290
24
Gasket-Breather
81-3300
25
26
Reed Valve Assembly (Incl. Ref.
81-3370
27
28
Cover-Breather
81-3320
29
30
Bearing-Ball
81-3380
31
Plate-Lock
81-3400
32
Nut
50-0510
33
Crankshaft
81-3420
34
Washer
81-3440
35
Bolt
81-3450
36
Seal-Lower Crankshaft
81-3460
37
Cover-Oil Pump
81-3470
38
Seal-O-Rlng
81-3480
39
Oil Pump Assembly
81-3490
40
Plug-Oil Drain
81-4970
41
Gasket-Oil Plug
81-3510
42
Crankcase-Lower
81-3520
43
Gasket-Crankcase
81-3530
Toro
Roth / TORO
Ride-On Mowers
Hand operated
Sweeper
Snowthrower
Vac/Blower
Lawnmower
Grass Baggers
4-stroke SP
498/26638
498/26633
498/26633 B
498/26631 B
496/26639
496/26636
496/26636 B
496/26635 BC
496/26625 BG
495/26637
495/26632
495/26632 B
495/26630 BC
495/26630 BG
495/26620 BG
494/20784
494/20791
493/20783
493/20789
492/20787
492/20778
491/20786
491/20777
491/20328 B
490/20327 B
489/20927 B
489/20926 B
489/20925
488/20920
0000001
Recoil Assy. (Model No. VMK9)
Muffler Assy. (Model No. VMK9)
Air Cleaner & Fuel Tank Assy. (Model No. VMK9)
Carburetor Assy. (Model No. VMK9)
Governor Assy. (Model No. VMK9)
Ignition & Flywheel Assy. (Model No. VMK9)
Crankshaft Assy. (Cont.) (Model No. VMK9)
Crankcase Assy. (Model No. VMK9)
Bag Assy.
S. P Handle Assy.
Gearbox Assy. No. 71-8250
S. P. Rear Axle Assy.
Engine Assy.
Housing Assy.
487/20914
487/20909 BC
487/20905
479
477
469
465/20781
465/20779
464
459/20824
459/20821
459/20821 B
459/20820 BC
458/20823
458/20822
457
456/20808
456/20808 B
456/20807 BC
456/20806 B
455/20803
455/20803 B
455/20802 BC
455/20801 B
453
449
439
437/22173
437/22157
437/22154
437/22154 B
437/22153 BC
434
424
421/20652
417/20832
417/20829
417/20827
416/20831
416/20828
416/20826
415/20817
415/20811
4-stroke
2-stroke SP
2-stroke
Electric
Battery
Robin
Condiciones
(C) by motoruf