volver a
>
Roth / TORO
>
Hand operated
>
Lawnmower
>
4-stroke SP
>
489/20925
>
0000001
>
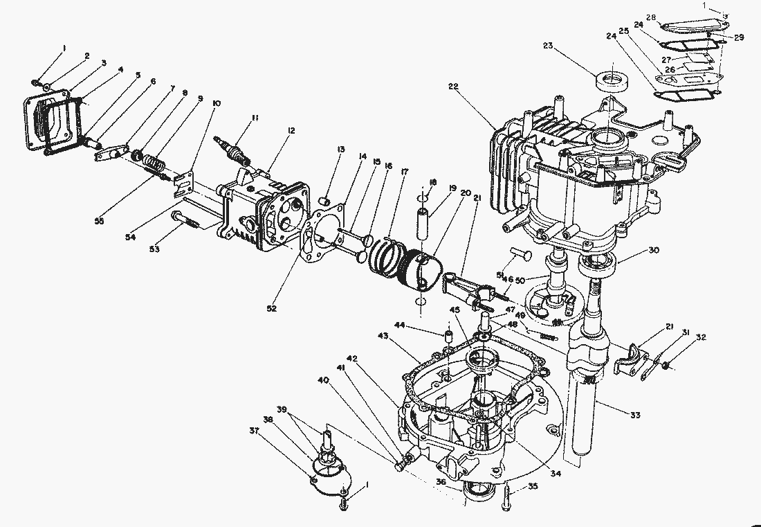
Crankcase Assy. (Cont.) (Model No. VMK9)
Lista de repuestos para Toro Roth / TORO Crankcase Assy. (Cont.) (Model No. VMK9)
pos.
descripción
Número de pieza
44
Pin-Dowel
50-0450
45
Governor Flyweight Ass y
81-3550
46
Stud-Connecting Rod
81-3610
47
Plunger-Governor
81-3560
48
Washer
81-3570
49
Spring-Comp. Release
81-3580
50
Camshaft Assembly (Incl. Ref.
81-5550
51
Tappet
81-3600
52
Guide-Valve
81-3830
53
Bolt
50-0190
54
Rod-Push
81-3810
55
Stud-Rocker Arm
81-3800
Short Block Assembly
13-5929
Toro
Roth / TORO
Ride-On Mowers
Hand operated
Sweeper
Snowthrower
Vac/Blower
Lawnmower
Grass Baggers
4-stroke SP
498/26638
498/26633
498/26633 B
498/26631 B
496/26639
496/26636
496/26636 B
496/26635 BC
496/26625 BG
495/26637
495/26632
495/26632 B
495/26630 BC
495/26630 BG
495/26620 BG
494/20784
494/20791
493/20783
493/20789
492/20787
492/20778
491/20786
491/20777
491/20328 B
490/20327 B
489/20927 B
489/20926 B
489/20925
0000001
Recoil Assy. (Model No. VMK9)
Muffler Assy. (Model No. VMK9)
Air Cleaner & Fuel Tank Assy. (Model No. VMK9)
Carburetor Assy. (Model No. VMK9)
Governor Assy. (Model No. VMK9)
Ignition & Flywheel Assy. (Model No. VMK9)
Crankcase Assy. (Cont.) (Model No. VMK9)
Crankcase Assy. (Model No. VMK9)
Bag Assy.
S.P. Handle Assy.
Gearbox Assy. No. 71-8250
S.P. Rear Axle Assy.
Engine Assy.
Starter Engine Assy.
Housing Assy.
488/20920
487/20914
487/20909 BC
487/20905
479
477
469
465/20781
465/20779
464
459/20824
459/20821
459/20821 B
459/20820 BC
458/20823
458/20822
457
456/20808
456/20808 B
456/20807 BC
456/20806 B
455/20803
455/20803 B
455/20802 BC
455/20801 B
453
449
439
437/22173
437/22157
437/22154
437/22154 B
437/22153 BC
434
424
421/20652
417/20832
417/20829
417/20827
416/20831
416/20828
416/20826
415/20817
415/20811
4-stroke
2-stroke SP
2-stroke
Electric
Battery
Robin
Condiciones
(C) by motoruf