volver a
>
Robin
>
Brushcutter
>
NB2001A
>
Carburetor
Lista de repuestos para Toro Robin Carburetor
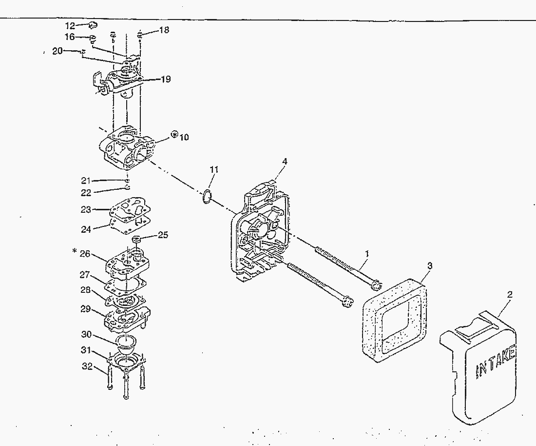
pos.
descripción
Número de pieza
1
SCHRAUBE
0043305650
2
FILTERDECKEL
5253020010
3
*** keine Bezeichnung vorhanden
5233004010
4
FILTERGEHAEUSE
5253003020
10
VERGASER
5196002001
11
DICHTRING
5236061000
12
KAPPE
5259500300
16
NIPPEL
5236018040
18
SCHRAUBE
5206008030
19
DROSSELWELLE
5196002010
20
SPRENGRING
5316005120
21
O-RING
5246001010
22
DUESE
5196002020
23
PUMPENDICHTUNG
5246001030
24
MEMBRANE
5246001040
25
SIEB
5016004010
26
PUMPENGEHAEUSE
5236046130
27
DICHTUNG
5236046040
28
MEMBRANE
5316005250
29
ZWISCHENSTUECK
5236046060
30
PRIMERKAPPE
5246001150
31
ABDECKUNG F. PUMPE
5236046050
32
SCHRAUBE
5236046010
Toro
Roth / TORO
Robin
Brushcutter
BH2500AU
NB26
NB26_91
NB31
NB31_91
NB31AU
NB40
NB211A
NB211A_91
NB221A
NB223A
NB251AU
NB253AU
NB321AU
NB411
NB411AU
NB2001A
Rod
Throttle Control
Motor
Carburetor
Attachements
NB2001AU
NBF171
NBF251
NBF252
NBT415
Vac/Blower
Condiciones
(C) by motoruf