volver a
AS-Motor
>
AS Aufsitzmäher
>
AS 830
>
Vorderachse / Lenkung
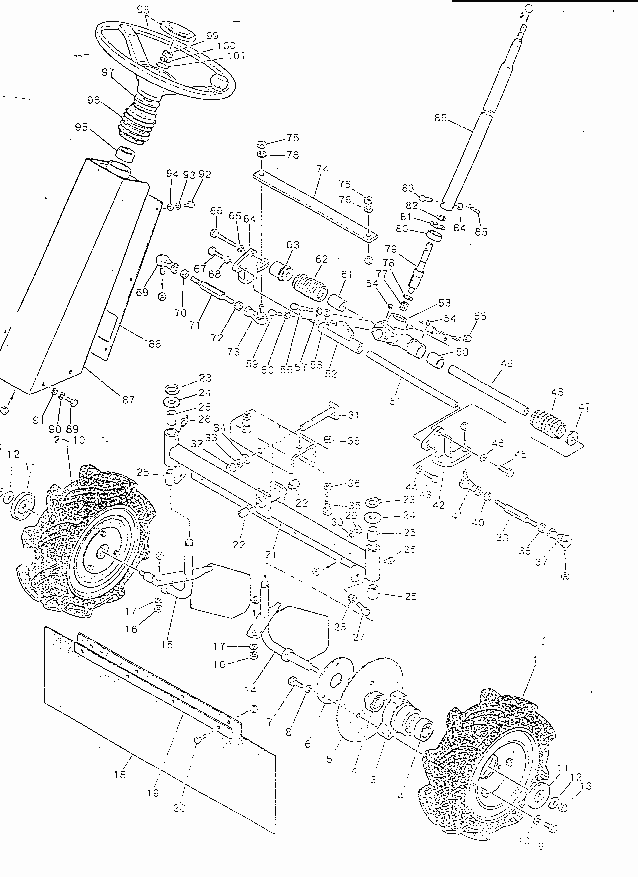
Lista de repuestos para AS Motor AS Aufsitzmäher Vorderachse / Lenkung
pos.
descripción
Número de pieza
1904
FEDERRING
E01904
1912
SECHSKANTMUTTER
E01912
3592
Scheibe
E03592
3932
Sechskantschraube
E03932
3938
SECHSKANTSCHRAUBE
E03938
5868
SCHMIERNIPPEL
E05868
6406
RILLENKUGELLAGER
E06406
6752
Rillenkugellager
E06752
6939
VORDERRAD LINKS
E06939
6940
VORDERRAD RECHTS
E06940
6943
RADNABE VORN
E06943
6944
RADABDECKUNG INNEN
E06944
6945
SCHEIBE
E06945
6946
SCHUTZLAPPEN VORN
E06946
6947
KUGELGELENK
E06947
6948
SPURSTANGE
E06948
6949
KUGELGELENK INNEN
E06949
6950
SCHEIBE
E06950
6951
FALTENBALG
E06951
6952
SCHEIBE
E06952
7745
ABDECKSCHEIBE
E07745
7746
ACHSSCHENKEL RECHTS
E07746
7747
ACHSSCHENKEL LINKS
E07747
7748
VORDERACHSE
E07748
7749
SPURSTANGENHALTER LINKS
E07749
7750
BUNDBOLZEN 6X33X28
E07750
7751
STABILISATOR
E07751
7752
SPURSTANGENHALTER RECHTS
E07752
7753
FEDERSTECKER
E07753
7754
LENKWELLE
E07754
7755
DECKEL LENKERABDECKUNG
E07755
7756
BUCHSE
E07756
7757
FALTENBALG
E07757
7758
SCHEIBE
E07758
7759
LENKRAD
E07759
7903
ZAHNSTANGE
E07903
7904
LAGERBUCHSE
E07904
7905
LENKGEHÄUSE
E07905
7906
NADELHÜLSE
E07906
7907
SCHEIBE
E07907
7908
LENKWELLE
E07908
7909
SICHERUNGSRING
E07909
7910
SICHERUNGSRING
E07910
7911
IN6KTSCHR.M8X70DIN912-8.8BRÜNI
E07911
7912
Gewindestift
E07912
7913
6KTMUTTER M14X1,5DIN934-8 VERZ
E07913
7914
FEDERRING
E07914
7915
SICHERUNGSRING
E07915
7916
SCHEIBE
E07916
7917
DU-BUCHSE MB 2025 DU
E07917
AS Motor
AS Batterierasenmäher
AS 45 Ausputzmäher
AS 46 Variomat
AS 45 Universal
AS 53 Standard
AS 53 Allrad
AS 55 Heckauswurf
AS 550 Heckauswurf
AS Allmäher
AS Enduro
AS Schlegelmäher
AS Mulchmeister
AS Aufsitzmäher
AS 830
Vorderachse / Lenkung
Mäherdeck
Höhenregulierung
Antrieb / Hinterachse
Hydrostat / Bremse
Sitz / Rahmen
Verkleidung / Motor
AS 910
AS 910/2
AS 911
AS 800
Samix Gartenhäcksler
AS Wildkraut-Hex
Verschleissteile
Condiciones
(C) by motoruf