volver a
AS-Motor
>
AS Aufsitzmäher
>
AS 911
>
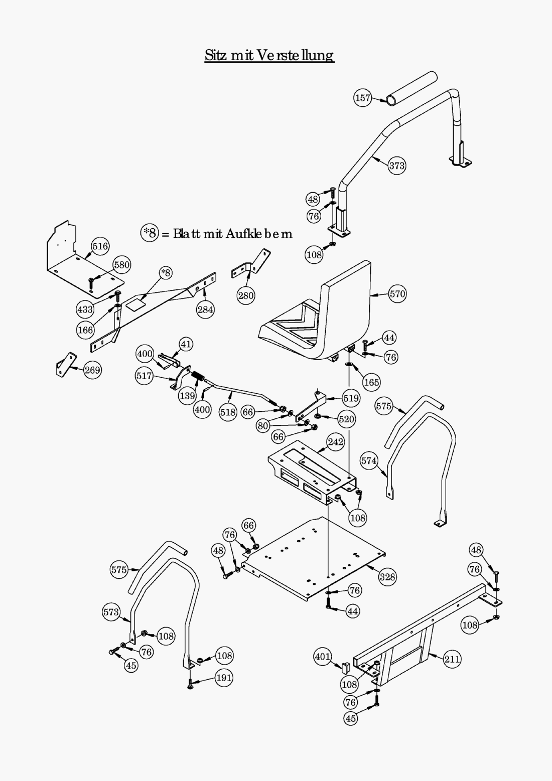
Sitz mit Verstellung
Lista de repuestos para AS Motor AS Aufsitzmäher Sitz mit Verstellung
pos.
descripción
Número de pieza
8
BLATT MIT AUFKLEBERN
E07370
41
EXZENTERHEBEL
E07479
44
Sechskantschraube
E03932
45
SECHSKANTSCHRAUBE
E03938
48
SECHSKANTSCHRAUBE
E03939
66
6KT.MUTTER
E07669
76
SCHEIBE
E01905
80
FEDERSCHEIBE
E07549
108
SICHERUNGSMUTTER
E06037
139
FEDER
E07553
157
POLSTER FÜR STÜTZROHR
E07323
165
Scheibe
E03957
166
SCHEIBE
E03914
191
SCHRAUBE
E07678
211
HALTER
E07353
242
SITZAUFLAGE
E07381
269
HALTER LINKS
E07415
280
HALTER RECHTS
E07404
284
SCHUTZBLECH FÜR RIEMENSCHEIBE
E07420
328
SITZTRÄGER
E07529
373
STÜTZROHR
E07498
400
Spannstift
E07656
401
STOPFEN
E07559
433
Sicherungsschraube
E07247
516
DECKBLECH
E08115
517
HALTER
E08116
518
ZUGSTANGE
E08117
519
BETÄTIGUNGSHEBEL
E08118
520
BUCHSE MIT BUND
E08119
570
SITZ MIT KONTAKTSCHALTER
E08158
573
SEITENSTÜTZE LINKS HOHE FORM
E08163
574
SEITENSTÜTZE RECHTS HOHE FORM
E08162
575
POLSTER FÜR SEITENSTÜTZE
E08164
580
SCHRAUBE
E08185
AS Motor
AS Batterierasenmäher
AS 45 Ausputzmäher
AS 46 Variomat
AS 45 Universal
AS 53 Standard
AS 53 Allrad
AS 55 Heckauswurf
AS 550 Heckauswurf
AS Allmäher
AS Enduro
AS Schlegelmäher
AS Mulchmeister
AS Aufsitzmäher
AS 830
AS 910
AS 910/2
AS 911
Elektrische Anlage
Rahmen bis FNr.18205404100
Rahmen ab FNr.18206101001
Lenkung
Messer mit Abdeckung
Motor
Antrieb bis FNr.18205404028
Antrieb ab FNr.18205404029
Tank mit Seitenbügel
Pedale
Bodenblech mit Kotflügel
Fahrhebel
Verstellung der Schnitthöhe
Sitz mit Verstellung
Vordere Radachse
Hintere Radachse
Getriebe
Bremse
Hydraulische Anlage bis FNr.182050404028
Hydraulische Anlage ab FNr.182050404029
AS 800
Samix Gartenhäcksler
AS Wildkraut-Hex
Verschleissteile
Condiciones
(C) by motoruf