volver a
AS-Motor
>
AS Schlegelmäher
>
AS 70 exakt
>
Messerwalze mit Antrieb
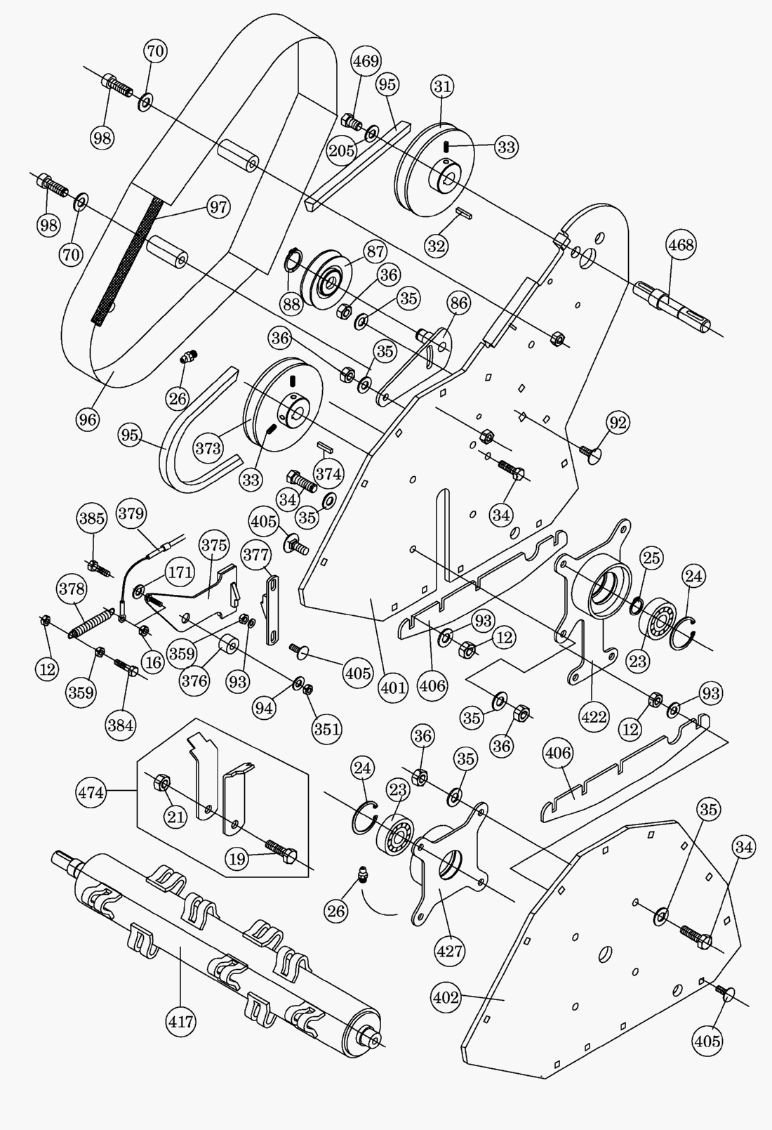
Lista de repuestos para AS Motor AS Schlegelmäher Messerwalze mit Antrieb
pos.
descripción
Número de pieza
12
SECHSKANTMUTTER
E06261
16
6-kt.Mutter
E06667
19
Flanschschraube
E08653
21
Flanschmutter
E08654
23
Kugellager
E08351
24
Sicherungsring
E02111
25
Sicherungsring
E02116
26
SCHMIERNIPPEL
E05868
31
Keilriemenscheibe
E08700
32
Passfeder
E08656
33
Gewindestift
E08657
34
Sechskantschraube
E08658
35
SCHEIBE
E03668
36
Sicherungsmutter
E08659
70
FEDERRING
E01954
86
Spannrollenarm
E08715
87
Spannrolle
E08716
88
Sicherungsring
E08664
92
Flachrundschraube
E08667
93
SPERRKANTSCHEIBE
E07132
94
Sperrkantscheibe
E08668
95
Keilriemen
E08835
96
Keilriemenabdeckung
E08717
97
Kantenschutz
E08718
98
Zylinderschraube
E08669
171
SCHEIBE
E01980
205
Scheibe
E03957
351
SECHSKANTMUTTER
E01953
359
SECHSKANTMUTTER
E01906
373
Keilriemenscheibe f.Messerwelle
E08812
374
Passfeder
E08691
375
Bremshebel
E08813
376
Distanzbuchse
E08814
377
Rampe f. Messerbremse
E08815
378
Zugfeder
E08816
379
Bowdenzug für Messerbremse
E08817
384
SECHSKANTSCHRAUBE
E03951
385
Sechskantschraube
E08692
401
Seitenwange rechts
E08822
402
Seitenwange links
E08821
405
Flachrundschraube
E08693
406
Abschlußblech
E08825
417
Messerwelle
E08826
422
Lagerflansch rechts
E08828
427
Lagerflansch links
E08827
468
Welle für Zwischentrieb
E08829
469
SECHSKANTSCHRAUBE
E03900
474
Kugelknopf
E10198
AS Motor
AS Batterierasenmäher
AS 45 Ausputzmäher
AS 46 Variomat
AS 45 Universal
AS 53 Standard
AS 53 Allrad
AS 55 Heckauswurf
AS 550 Heckauswurf
AS Allmäher
AS Enduro
AS Schlegelmäher
AS 70 exakt
Motor und Radantrieb
Mähwerk und Schnitthöhenverstellung
Zwischentrieb
Messerwalze mit Antrieb
Hydrostatgetriebe mit Hinterrädern
Chassis und Unterholm
Lenker
Oberholm
Abdeckungen
AS Mulchmeister
AS Aufsitzmäher
Samix Gartenhäcksler
AS Wildkraut-Hex
Verschleissteile
Condiciones
(C) by motoruf