volver a
AS-Motor
>
AS Mulchmeister
>
AS Mulchmeister 102
>
Fahrwerk
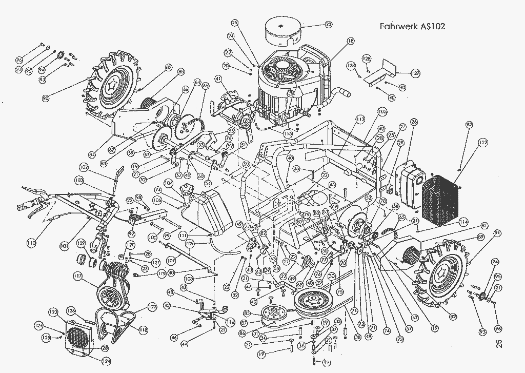
Lista de repuestos para AS Motor AS Mulchmeister Fahrwerk
pos.
descripción
Número de pieza
1905
SCHEIBE
E01905
1912
SECHSKANTMUTTER
E01912
1932
SECHSKANTMUTTER
E01932
1939
FEDERRING
E01939
1940
SCHEIBE
E01940
1958
SECHSKANTSCHRAUBE
E01958
2119
PASSSCHEIBE
E02119
2926
Sechskantschraube
E02926
2949
SECHSKANTSCHRAUBE
E02949
3113
PASSSCHEIBE
E03113
3483
TELLERFEDER
E03483
3626
Schlauchschelle
E03626
3668
SCHEIBE
E03668
3710
SCHEIBE
E03710
3777
Sechskantschraube
E03777
3829
SECHSKANTMUTTER
E03829
3886
SECHSKANTSCHRAUBE
E03886
3901
Sechskantschraube
E03901
3914
SCHEIBE
E03914
3932
Sechskantschraube
E03932
3957
Scheibe
E03957
3959
Sechskantschraube
E03959
4142
Tankhaltestrebe
E04142
4351
SICHERUNGSRING
E04351
4357
Einhängebolzen
E04357
4552
Scheibe
E04552
4555
SCHEIBE
E04555
4631
SICHERUNGSSCHRAUBE
E04631
4728
STÜTZSCHEIBE
E04728
5609
6-kt.Schraube
E05609
5718
Sechskantschraube
E05718
5719
BUNDSCHRAUBE SW 14
E05719
5887
Linsenblechschraube
E05887
5942
SENKSCHR.GEWINDE BIS KOPF
E05942
5984
Passscheibe
E05984
6032
GEW.FURCH.SECHSK.SCHRAUBE
E06032
6037
SICHERUNGSMUTTER
E06037
6093
Gew.furch.Sechsk.Schraube
E06093
6159
Profilrad links
E06159
6196
Profilrad rechts
E06196
6364
DU-Buchse
E06364
6365
GEW.FURCH.SECHSK.SCHRAUBE
E06365
6381
Kupplungszug
E06381
6396
DICHTUNGSPROFIL 60 MM LG.
E06396
6418
KEILRIEMEN
E06418
6421
Keilriemen
E06421
6422
KEILRIEMEN
E06422
6423
EINFACHROLLENKETTE
E06423
6424
Einfachrollenkette
E06424
6425
Kettenschloß
E06425
6436
LUFTFILTERPATRONE
E06436
6467
RIEMENSCHEIBE
E06467
6472
SPANNROLLENTRÄGER D.30 VOLLST.
E06472
6476
Flanschlager
E06476
6477
KETTENSPANNER LI.VORN VOLLST.
E06477
6479
KETTENSPANNER VOLLST.
E06479
6481
ZUGFEDER d.1.6 / Da.14.4 / L 57.4
E06481
6483
RADNABE LINKS VOLLST.
E06483
6484
RADNABE RECHTS VOLLST.
E06484
6485
DRUCKFEDER d.1.6 / Da.28.0 / L.55
E06485
6487
KETTENSCHUTZ LINKS
E06487
6488
KETTENSCHUTZ RECHTS
E06488
6489
RIEMENSCH.NABE GETRIEBE VOLLST
E06489
6490
Kraftstofftank vollst. m. Deckel
E06490
6491
Kraftstoffschlauch 500 lg.
E06491
6495
Windblech
E06495
6514
KOMPRESSOR MK 4
E06514
6515
HALTER FÜR UMLENKROLLEN VOLLST
E06515
6558
ZUG F.LENKHILFE AS84 / AS102
E06558
6577
DECKSCHEIBE
E06577
6578
HÜLSE 3,5 LG.
E06578
6671
SCHALLDÄMPFER VOLLST.
E06671
6675
SCHALTGETRIEBE VOLLST.
E06675
6688
SICHERHEITSSPERRE VOLLST.
E06688
6692
DISTANZHÜLSE 22 LG.
E06692
6695
ANTRIEBSWELLE VOLLST.
E06695
6703
Starthilfekabel
E06703
6705
MOTOR VOLLST.
E06705
6711
Lüftergitter
E06711
6712
SCHELLE
E06712
6713
Paßfeder
E06713
6715
FEDERRING
E06715
6716
Sechskant -Zollschraube
E06716
6717
RIEMENSTÜTZE 43 LG.
E06717
6718
RIEMENSTÜTZE F.FAHRANTRIEB
E06718
6719
6-kt.Zollschraube
E06719
6720
SCHENKELFEDER
E06720
6721
KETTENSPANNHEBELBUCHSE
E06721
6723
KETTENRITZELSTÜTZRING
E06723
6725
LENKHILFEHEBEL UNTEN VOLLST.
E06725
6726
Verbindungsmutter
E06726
6727
SCHUTZHÜLSE LINKS 94-3 LG.
E06727
6728
SCHUTZHÜLSE RECHTS 75-3 LG.
E06728
6729
Zwischenholm vollst.
E06729
6730
6-kt.Schraube
E06730
6731
GRIFF VOLLST.
E06731
6732
BERÜHRUNGSSCHUTZ
E06732
6733
LINSENFLANSCHKOPFSCHRAUBE
E06733
6741
Schelle vollst.
E06741
6761
Sicherungsschraube
E06761
6797
GERADE EINSCHRAUBVERSCHR. C12
E06797
6798
SCHMUTZRING
E06798
6799
RIEMENSCHUTZ KOMPRESSOR
E06799
6800
ABWEISSER
E06800
6801
MOTORTRÄGER AS 102 VOLLST.
E06801
6823
LENKER VOLLST. AS102
E06823
6826
KETTENRAD 12Z.WENDEHILFE
E06826
6827
SCHALTSCHEIBE
E06827
AS Motor
AS Batterierasenmäher
AS 45 Ausputzmäher
AS 46 Variomat
AS 45 Universal
AS 53 Standard
AS 53 Allrad
AS 55 Heckauswurf
AS 550 Heckauswurf
AS Allmäher
AS Enduro
AS Schlegelmäher
AS Mulchmeister
AS Mulchmeister 102
Gehäuse
Fahrwerk
Vormontagegruppen
Mähwerk
Vormont. Mulchhaube
AS Mulchmeister 84
AS Mulchmeister 84/LB
AS Mulchmeister 84/2LB
AS Aufsitzmäher
Samix Gartenhäcksler
AS Wildkraut-Hex
Verschleissteile
Condiciones
(C) by motoruf