volver a
AS-Motor
>
AS Enduro
>
AS 65 4TH Enduro
>
Fahrwerk Abb.2
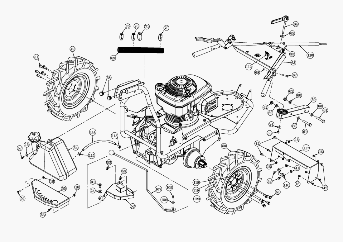
Lista de repuestos para AS Motor AS Enduro Fahrwerk Abb.2
pos.
descripción
Número de pieza
15
SCHEIBE
E03914
16
Sicherungsmutter
E05975
24
Scheibe
E03957
31
GEW.FURCH.SECHSK.SCHRAUBE
E06032
35
Fahrantriebszug oben
E07798
41
Kastenmutter
E06672
42
SICHERUNGSSCHRAUBE
E04631
49
Profilrad links
E06159
50
Profilrad rechts
E06196
51
Sicherungsschraube
E06761
52
Abdeckung hinten
E08252
53
Gew.furch.Sechsk.Schraube
E06093
54
Kraftstofftank vollst. m. Deckel
E06490
55
Schaltanzeige
E08026
56
Sicherungsschraube
E07247
57
GEW.FURCH.SECHSK.SCHRAUBE
E06365
58
LAMELLENSTOPFEN
E06141
59
Zwischenholm vollst.
E06729
60
SCHEIBE
E03668
61
SECHSKANTSCHRAUBE
E01958
62
Sechskantmutter
E01968
63
Lenker AS65/4TH vollst.
E10025
64
LENKERSPANNHEBEL VOLLST.
E04902
65
Scheibe
E07940
66
SECHSKANTMUTTER
E01912
67
6-kt.Schraube
E07643
68
SECHSKANTMUTTER
E07269
69
Wellschlauch 290 lang InnenØ29
E07952
70
KABELBAND
E04391
71
KABELBAND LANG
E03782
107
Schaltstange vollst.
E08027
108
Scheibe
E07877
109
6-kt.Zollschraube
E06679
110
Messerantriebszug AS65
E08218
112
Gashebel mit Bowdenzug
E07544
114
Benzinschlauch
E07883
115
Schlauchschelle
E03626
116
Rohrschelle
E08308
117
Sichtschutz
E08307
118
Schlauch für Profilrad
E06327
119
Mantel für Profilrad
E06568
120
Felge für Profilrad
E06569
AS Motor
AS Batterierasenmäher
AS 45 Ausputzmäher
AS 46 Variomat
AS 45 Universal
AS 53 Standard
AS 53 Allrad
AS 55 Heckauswurf
AS 550 Heckauswurf
AS Allmäher
AS Enduro
AS 22 Enduro
AS 22/3 Enduro
AS 27/2 Enduro
AS 27/3 Enduro
AS 28 Enduro
AS 28/3 Enduro
AS 28/4 Enduro
AS 65 2T Enduro
AS 65 4T Enduro
AS 65 4TH Enduro
Fahrwerk Abb.1
Fahrwerk Abb.2
Messerhaube
Motorhalter vollst.
Motornabe AS 65/4T vollst.
Spannrollenträger vollst.
Auswurfblech vollst.
Riemenspanner vollst.
Lenker AS65/4TH
Lenkerspannhebel vollst.
Radholm vollst.
Riemenscheibe Getriebe vollst.
Kraftstofftank vollst.m.Deckel
Riemenscheibe AS65 vollst.
Bremshebel vollst.
Messerlagerung m.Messer
AS 73 vs Enduro
AS 73/2 vs Enduro
AS Schlegelmäher
AS Mulchmeister
AS Aufsitzmäher
Samix Gartenhäcksler
AS Wildkraut-Hex
Verschleissteile
Condiciones
(C) by motoruf