volver a
AS-Motor
>
AS Enduro
>
AS 65 2T Enduro
>
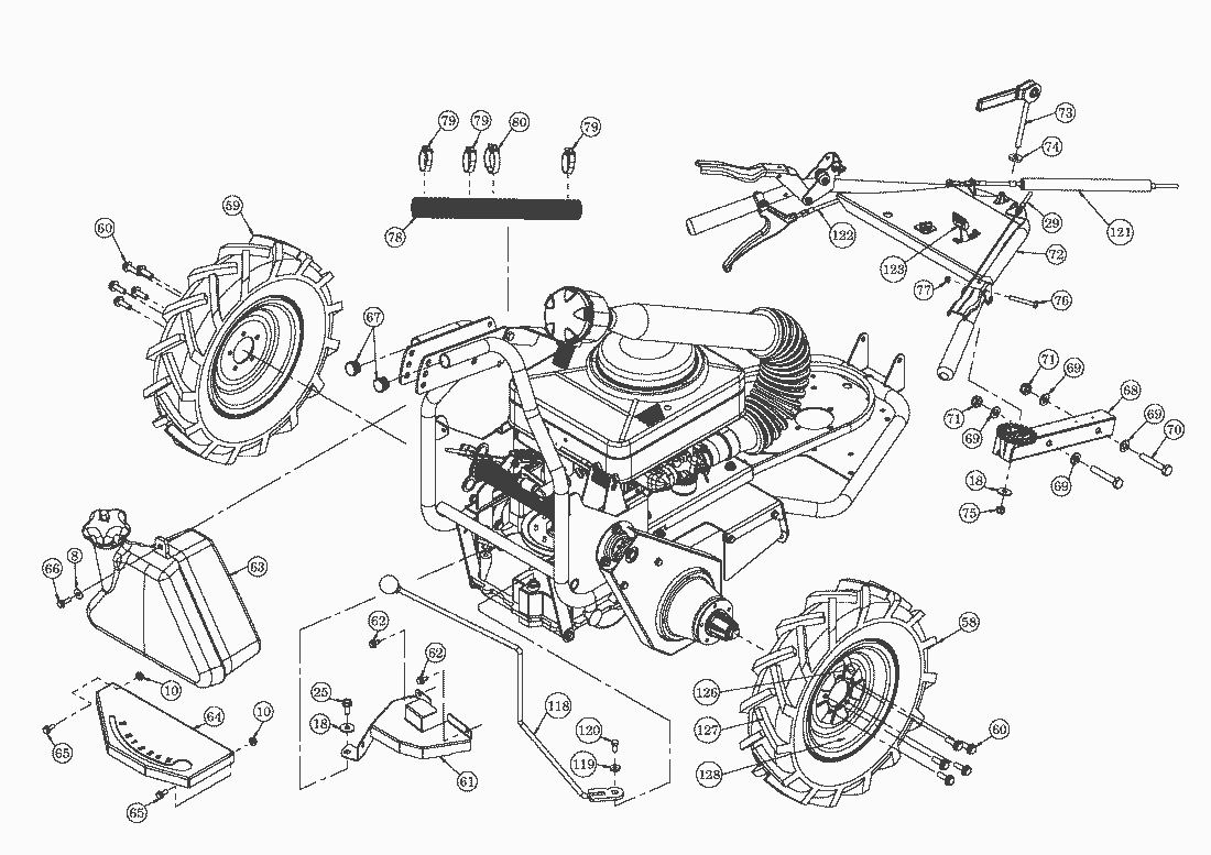
Fahrwerk Abb.2 abFNR.14903404027
Lista de repuestos para AS Motor AS Enduro Fahrwerk Abb.2 abFNR.14903404027
pos.
descripción
Número de pieza
8
SCHEIBE
E03914
10
Sicherungsmutter
E05975
18
Scheibe
E03957
25
GEW.FURCH.SECHSK.SCHRAUBE
E06032
29
Fahrantriebszug oben
E07798
58
Profilrad rechts
E06196
59
Profilrad links
E06159
60
Sicherungsschraube
E06761
61
Abdeckung hinten
E08252
62
Gew.furch.Sechsk.Schraube
E06093
63
KRAFTSTOFFTANK VOLLST.
E03690
64
Schaltanzeige
E08026
65
Sicherungsschraube
E07247
66
GEW.FURCH.SECHSK.SCHRAUBE
E06365
67
LAMELLENSTOPFEN
E06141
68
Zwischenholm vollst.
E06729
69
SCHEIBE
E03668
70
SECHSKANTSCHRAUBE
E01958
71
Sechskantmutter
E01968
72
Lenker AS65/2T vollst.
E08329
73
LENKERSPANNHEBEL VOLLST.
E04902
74
Scheibe
E07940
75
SECHSKANTMUTTER
E01912
76
6-kt.Schraube
E07643
77
SECHSKANTMUTTER
E07269
78
Wellschlauch 290 lang InnenØ29
E07952
79
KABELBAND
E04391
80
KABELBAND LANG
E03782
118
Schaltstange vollst.
E08027
119
Scheibe
E07877
120
6-kt.Zollschraube
E06679
121
Messerantriebszug AS65
E08218
122
Differentialzug
E08253
123
Gashebel mit Bowdenzug
E08254
126
Schlauch für Profilrad
E06327
127
Mantel für Profilrad
E06568
128
Felge für Profilrad
E06569
AS Motor
AS Batterierasenmäher
AS 45 Ausputzmäher
AS 46 Variomat
AS 45 Universal
AS 53 Standard
AS 53 Allrad
AS 55 Heckauswurf
AS 550 Heckauswurf
AS Allmäher
AS Enduro
AS 22 Enduro
AS 22/3 Enduro
AS 27/2 Enduro
AS 27/3 Enduro
AS 28 Enduro
AS 28/3 Enduro
AS 28/4 Enduro
AS 65 2T Enduro
Fahrwerk Abb.1
Fahrwerk Abb.2 bisFNR.14903404026
Fahrwerk Abb.2 abFNR.14903404027
Messerhaube
Antriebsblock
Spannrollenträger vollst.
Luftansaugschlauch vollst.
Kupplung vollst.
Hebel vollst.
Riemenscheibe Getriebe vollst.
Kraftstofftank vollst.m.Deckel
Radnabe vollst.
Lenkerspannhebel vollst.
Lenker AS65/2T vollst.bisFNR.14903404035
Lenker AS65/2T vollst.ab FNR.14903404036
Riemenspanner vollst.
Auswurfblech vollst.
Bremshebel vollst.
Riemenscheibe AS65 vollst.
Radholm vollst.bis FNR.14903404060
Radholm vollst.ab FNR.14903404061
Messerlagerung m.Messer AS65/2T bisFNR.14903202999
Messerlagerung m.Messer AS65/2T abFNr.14903303001
Grundmotor
Starter
Vergaser
AS 65 4T Enduro
AS 65 4TH Enduro
AS 73 vs Enduro
AS 73/2 vs Enduro
AS Schlegelmäher
AS Mulchmeister
AS Aufsitzmäher
Samix Gartenhäcksler
AS Wildkraut-Hex
Verschleissteile
Condiciones
(C) by motoruf