volver a
AS-Motor
>
AS Enduro
>
AS 73/2 vs Enduro
>
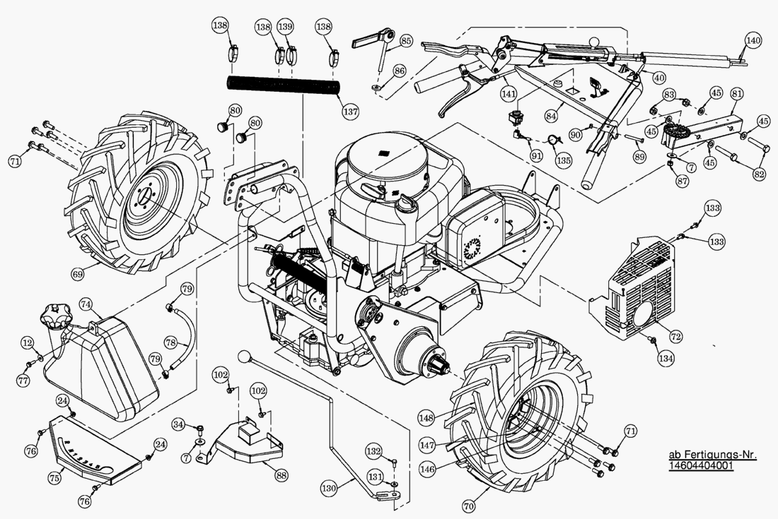
Fahrwerk Abb.2 ab FNr.14604404001
Lista de repuestos para AS Motor AS Enduro Fahrwerk Abb.2 ab FNr.14604404001
pos.
descripción
Número de pieza
7
Scheibe
E03957
12
SCHEIBE
E03914
24
Sicherungsmutter
E05975
34
GEW.FURCH.SECHSK.SCHRAUBE
E06032
40
Fahrantriebszug oben
E07798
45
SCHEIBE
E03668
69
Breitreifen links
E06458
70
Breitreifen rechts
E06457
71
Sicherungsschraube
E06761
72
Auspuffschutz
E08089
74
Kraftstofftank vollst. m. Deckel
E06490
75
Schaltanzeige
E08026
76
Sicherungsschraube
E07247
77
GEW.FURCH.SECHSK.SCHRAUBE
E06365
78
Benzinschlauch
E08150
79
Schlauchschelle
E03626
80
LAMELLENSTOPFEN
E06141
81
Zwischenholm vollst.
E06729
82
SECHSKANTSCHRAUBE
E01958
83
Sechskantmutter
E01968
84
Lenker AS73/2vs vollst.
E08325
85
LENKERSPANNHEBEL VOLLST.
E04902
86
Scheibe
E07940
87
SECHSKANTMUTTER
E01912
88
Abdeckung hinten
E08252
89
6-kt.Schraube
E07643
90
SECHSKANTMUTTER
E07269
91
Schalterhabel m.Starthilfe
E08214
102
Gew.furch.Sechsk.Schraube
E06093
130
Schaltstange vollst.
E08027
131
Scheibe
E07877
132
6-kt.Zollschraube
E06679
133
Sechskant-Zollschraube
E08095
134
Sechskant-Zollschraube
E08096
135
Kabelband
E07956
137
Wellschlauch 290 lang InnenØ29
E07952
138
KABELBAND
E04391
139
KABELBAND LANG
E03782
140
Messerantriebszug
E07800
141
Differentialzug
E08253
146
Schlauch für Breitreifen
E06570
147
Felge für Breitreifen
E08029
148
Mantel für Breitreifen
E07684
AS Motor
AS Batterierasenmäher
AS 45 Ausputzmäher
AS 46 Variomat
AS 45 Universal
AS 53 Standard
AS 53 Allrad
AS 55 Heckauswurf
AS 550 Heckauswurf
AS Allmäher
AS Enduro
AS 22 Enduro
AS 22/3 Enduro
AS 27/2 Enduro
AS 27/3 Enduro
AS 28 Enduro
AS 28/3 Enduro
AS 28/4 Enduro
AS 65 2T Enduro
AS 65 4T Enduro
AS 65 4TH Enduro
AS 73 vs Enduro
AS 73/2 vs Enduro
Fahrwerk Abb. 1
Fahrwerk Abb.1 ab FNr.14604404001
Fahrwerk Abb. 2bisFNr.14603303999
Fahrwerk Abb.2abFNr.14603404001
Fahrwerk Abb.2 ab FNr.14604404001
Messerhaube bis FNr.14603303999
Messerhaube ab FNr.14603404001
Motornabe vollst.
Blechstrebe vollst. bis FNr.14604303025
Hebel vollst. Ab FNr.14604404001
Kupplungskorb vollst.bis FNr.14604303025
Kupplung vollst.ab FNr.14604404001
Spannrollenträger vollst.
Radnabe vollst.
Lenker AS 73/2vs vollst.bisFNr.14603404030
Lenker AS 73/2vs vollst.abFNr.14603404031
Lenker AS73/2vs vollst. abFNr.14604404001
Lenkerspannhebel vollst.
Radholm vollst.bisFNr.14603404030
Radholm vollst.abFNr.14603404031
Auswurfblech AS 73 vollst.bisFNr.14603303999
Auswurfblech vollst.abFNr.14603404001
Riemenspanner AS 73 vollst.
Doppelriemenscheibe vollst.
Riemenscheibe Getriebe vollst.
Kraftstofftank vollst.m.Deckel
Bremshebel vollst.
Messerlagerung m.Messer bis FNr.14603202050
Messerlagerung m.Messer ab FNr.14603303001
AS Schlegelmäher
AS Mulchmeister
AS Aufsitzmäher
Samix Gartenhäcksler
AS Wildkraut-Hex
Verschleissteile
Condiciones
(C) by motoruf