volver a
AS-Motor
>
AS 45 Ausputzmäher
>
AS 45 B2/3
>
Antriebsblock
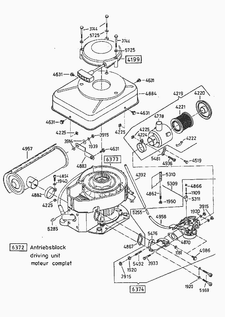
Lista de repuestos para AS Motor AS 45 Ausputzmäher Antriebsblock
pos.
descripción
Número de pieza
1109
Scheibe
E01109
1181
SCHEIBE
E01181
1920
FEDERSCHEIBE
E01920
1939
FEDERRING
E01939
1940
SCHEIBE
E01940
1950
Sechskantmutter
E01950
3744
SECHSKANTSCHRAUBE
E03744
3914
SCHEIBE
E03914
3915
SECHSKANTMUTTER
E03915
3933
SECHSKANTSCHRAUBE
E03933
4199
STARTER VOLLST.
E04199
4219
DÄMPFERFILTER M.BEFESTIGUNGST.
E04219
4220
DECKEL
E04220
4221
FILTER-EINSATZ
E04221
4222
BÜGEL
E04222
4224
ROHRSCHELLE
E04224
4225
VIERKANTMUTTER
E04225
4392
Kraftstoffschlauch
E04392
4519
GEWINDEFURCHENDE SCHRAUBE 3 ST
E04519
4631
SICHERUNGSSCHRAUBE
E04631
4778
DÄMPFERFILTER GEHÄUSE
E04778
4854
ZYLINDERSCHRAUBE
E04854
4862
WINDFAHNENACHSE
E04862
4866
Zylinderschraube
E04866
4867
ISOLIERPLATTE
E04867
4870
VERGASERDICHTUNG
E04870
4882
ROHRSCHELLE
E04882
4883
HALTESTREBE
E04883
4884
MOTORABDECKUNG KOMPL.
E04884
4936
ZYLINDERSCHRAUBE
E04936
4957
ABGASSCHALLDÄMPFER
E04957
4958
KRAFTSTOFFSCHLAUCH 190 LG.
E04958
4986
GEW.FURCH.SCHRAUBE
E04986
5255
HÜLSE
E05255
5285
KABELHALTER
E05285
5309
REGLERSTANGE
E05309
5310
WINDFAHNE VOLLST.
E05310
5311
WINDFAHNENHEBEL
E05311
5476
ANSAUGSTUTZEN
E05476
5481
FILTERSTÜTZE
E05481
5492
STIFTSCHRAUBE
E05492
5725
SPERRKANTRING FÜR M6
E05725
5959
GRASFANGSACKDECKELGRIFF
E05959
5969
INNENSECHSKANTSCHRAUBE
E05969
6372
ANTRIEBSBL.AS120d(AS45B2/3)
E06372
6373
GRUNDMOTOR AS 45 B2/3
E06373
6374
VERGASER KOMPL.AS45B2/3
E06374
AS Motor
AS Batterierasenmäher
AS 45 Ausputzmäher
AS 45 B2/2
AS 45 B2/3
Gehäuse
Antriebsblock
Grundmotor
Holm
Starter / Messer
Vergaser
Grasfangsack
AS 45 B2/4T
AS 46 Variomat
AS 45 Universal
AS 53 Standard
AS 53 Allrad
AS 55 Heckauswurf
AS 550 Heckauswurf
AS Allmäher
AS Enduro
AS Schlegelmäher
AS Mulchmeister
AS Aufsitzmäher
Samix Gartenhäcksler
AS Wildkraut-Hex
Verschleissteile
Condiciones
(C) by motoruf