volver a
>
Roth / TORO
>
Ride-On Mowers
>
Mower decks
>
97cm Seit
>
313/05-38SL01
>
1000001
>
Lista de repuestos para Toro Roth / TORO
pos.
descripción
Número de pieza
120551
pos.
descripción
Número de pieza
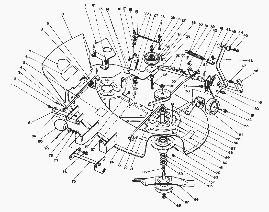
1
Capscrew
321-4
2
Cotter Pin
3272-6
3
MUTTER
3296-42
4
Rod
78-0820
5
Decal-Belt Guide
117137
6
Decal-Danger
66-1340
7
Decal-Danger
54-9220
8
Decal-Danger
66-6380
9
Spring-Torsion
119691
10
Deflector
119740
11
Cover Belt
78-0830
12
Self Tapping Screw
32104-76
13
Screw-Hex. Hd.
323-16
14
Washer-Special
2844
16
Fitting-Grease
302-26
17
Spacer
109950
18
Locknut
3296-39
19
Brace
78-5850
20
Bushing
109859
21
Arm-Idler
78-5860
23
Locknut
3296-39
25
Flat Washer
3256-24
26
Bolt-Carriage
3231-2
27
Pulley
109450
28
Spacer
110369
29
Screw-Hex. Hd.
321-13
30
Spring
78-6210
31
Cotter-Hairpin
933505
32
Height Adjustment
120671
33
Latch
120610
34
Cotter Pin
3272-6
35
Pin-Clevis
9329604
36
Nut-Lock
3296-41
37
MUTTER
3296-29
38
Pulley
120240
39
Flat Washer
3256-24
40
Trunnion
7736
41
Lever
106318
42
Knob
8722
43
Lever
78-8321
44
Knob
8693
45
Screw
911747
46
Screw
926715
47
Spring
101853
48
Decal-Height Adjustment
111655
49
Quadrant
78-1980
50
Carriage Bolt
3230-1
51
Plate
116790
52
Bolt
56-6590
53
Wheel
61-9760
54
Locknut
3296-39
55
Capscrew
322-3
56
Washer
920216
57
Bearing-Ball
79-1090
58
Spacer-Bearing
54-0210
59
Decal-Danger
76-4070
60
Decal-Vin Overlay
112403
61
Housing-Spindle
79-1050
62
Fitting-Grease
302-16
63
MUTTER
3296-29
65
Ring-Snap
32120-11
66
Blade
57-4700
67
Cup
7-3522
68
Nut-Lock
3296-41
69
Spacer-Spindle
47-0110
71
Belt
121330
72
Spin-Spirol
32121-103
74
Deck-Mower
121061
75
Arm-Lift
114837
76
Carriage Bolt
3231-22
77
Spacer
102704
78
Nut-Flange Lock
102809
79
Pin-Cotter
3272-21
80
Roller
29-4820
81
Shaft-Roller
118960
82
Pin-Spirol
933190
83
Shaft-Spindle
47-0092
84
Washer
3256-23
85
Pin Cotter
3272-22
86
Washer
920237
87
Capscrew
322-6
Toro
Roth / TORO
Ride-On Mowers
Traktor
Rider
Mower decks
91cm Heck
97cm Seit
313/05-38SL01
1000001
538/78215
538/78216
538/78218
107cm Seit
112cm Seit
122cm Seit
132cm Seit
152cm Seit
Attachements
Hand operated
Robin
Condiciones
(C) by motoruf